Запчасти Case 1121G (50.000.00[01]) - SECTION INDEX - CAB CLIMATE CONTROL (50) - CAB CLIMATE CONTROL

Схема запчастей Case 1121G - (50.000.00[01]) - SECTION INDEX - CAB CLIMATE CONTROL (50) - CAB CLIMATE CONTROL
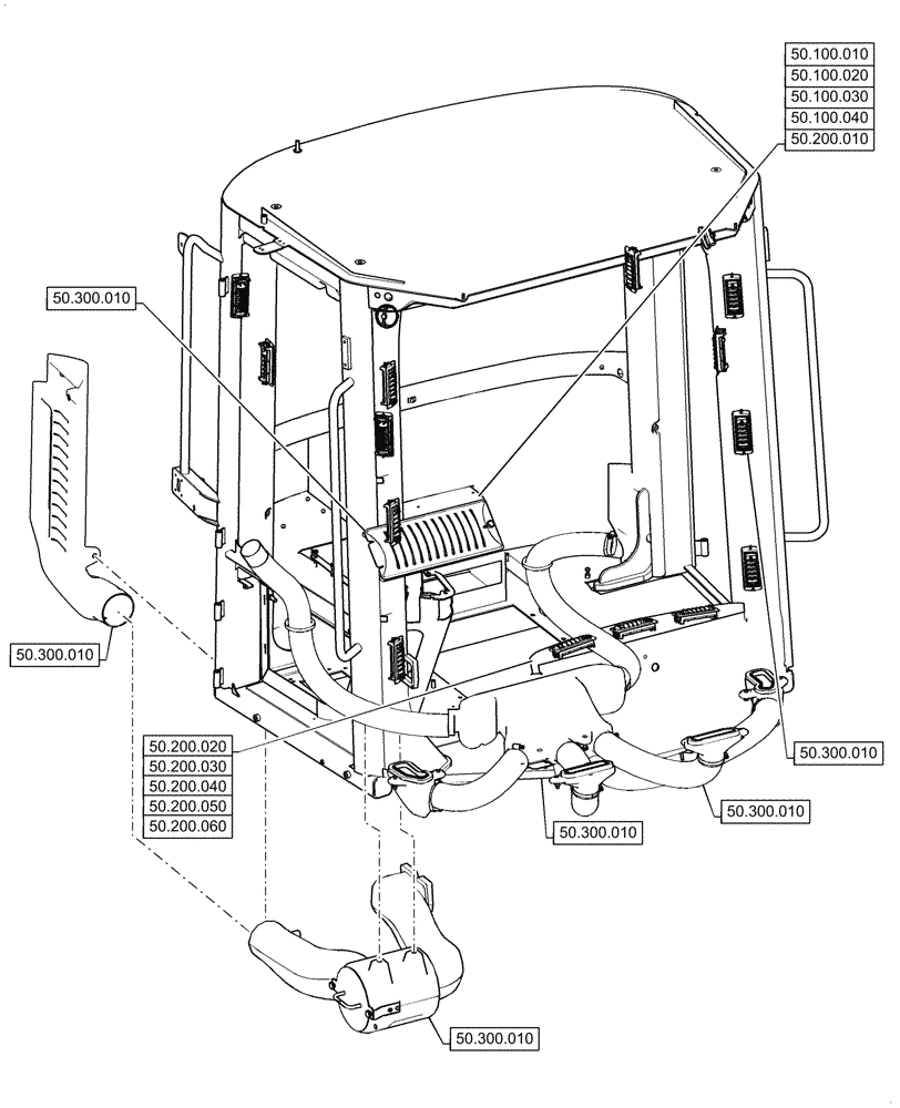
50.300.010
50.100.040
50.200.030
50.200.050
50.100.010
50.200.020
50.100.030
50.200.040
50.200.060
50.100.020
50.200.010
50.300.010
50.300.010
50.300.010
50.300.010
50.300.010
FIT
1:1
100%