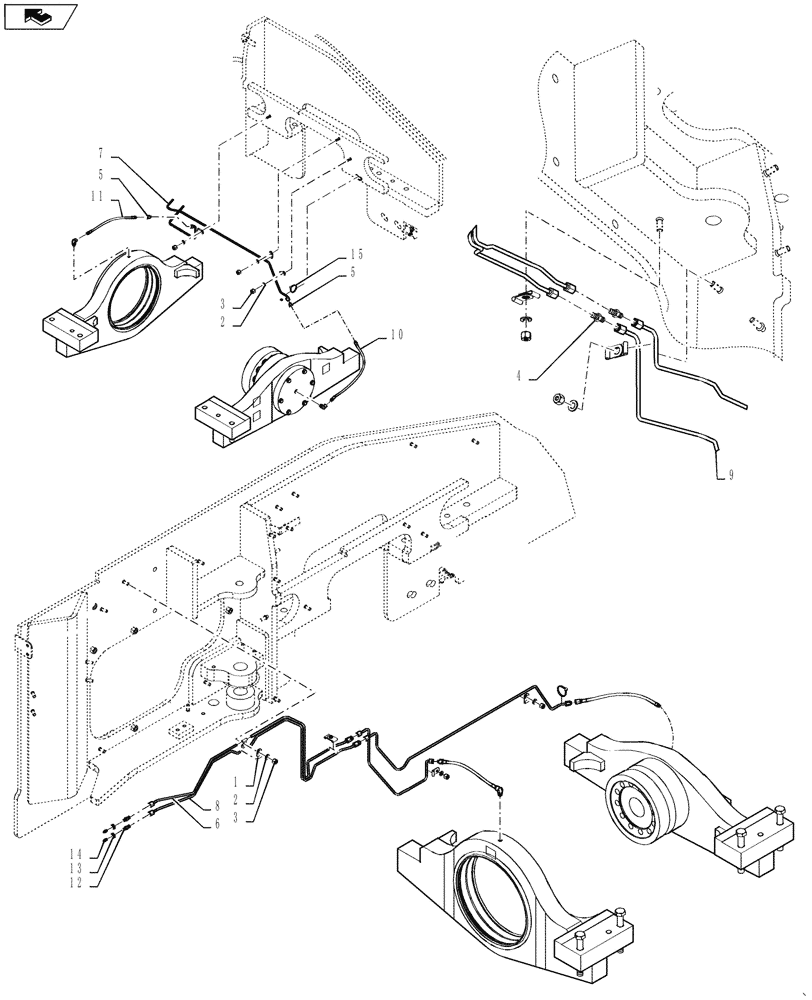
Запчасти Case 1121G (25.100.010[03]) - FRONT AND REAR AXLE MOUNTING LUBRICATION LINES (25) - FRONT AXLE SYSTEM

Схема запчастей Case 1121G - (25.100.010[03]) - FRONT AND REAR AXLE MOUNTING LUBRICATION LINES (25) - FRONT AXLE SYSTEM
home
12
13
15
5
8
3
11
2
10
2
3
14
7
6
1
5
9
4
FIT
1:1
100%

Артикул

Название

Примечание

Количество

1

515-2563

CLAMP,1/4", Insul, 1/2" Bolt

9шт.

2

895-11010

WASHER,11mm ID x 20mm OD x 2mm Thk

6шт.

3

832-10410

NUT,M10 x 1.5, Cl 8

6шт.

4

218-732

UNION,7/16"-20, 37 Degree x 7/16"-20, 37 Degree

2шт.

5

218-461

HYD CONNECTOR,7/16" - 20 Male JIC x 1/8" - 27 Female NPTF

2шт.

6

84421295

HYD TUBE

Grease Rear Trunnion Chassis

1шт.

7

84421297

HYD TUBE

Grease Rear Trunnion Axle

1шт.

8

84421299

HYD TUBE

Grease Front Trunnion Chassis

1шт.

9

84421301

HYD TUBE

Grease Front Trunnion Axle

1шт.

10

84421303

HOSE ASSY.

Grease Rear Trunnion

1шт.

11

84421304

HOSE ASSY.,4.83mm ID x 366mm L

Grease Front Trunnion

1шт.

12

1990056C1

FITTING

Connector

2шт.

13

F53473

LOCK NUT,1/8-27 NPSM

2шт.

14

219-8

LUBE NIPPLE,1/4" - 28 NPTF

2шт.

15

L11541

CABLE TIE,203.2mm L, Nylon

1шт.

Выбрано товаров: 15