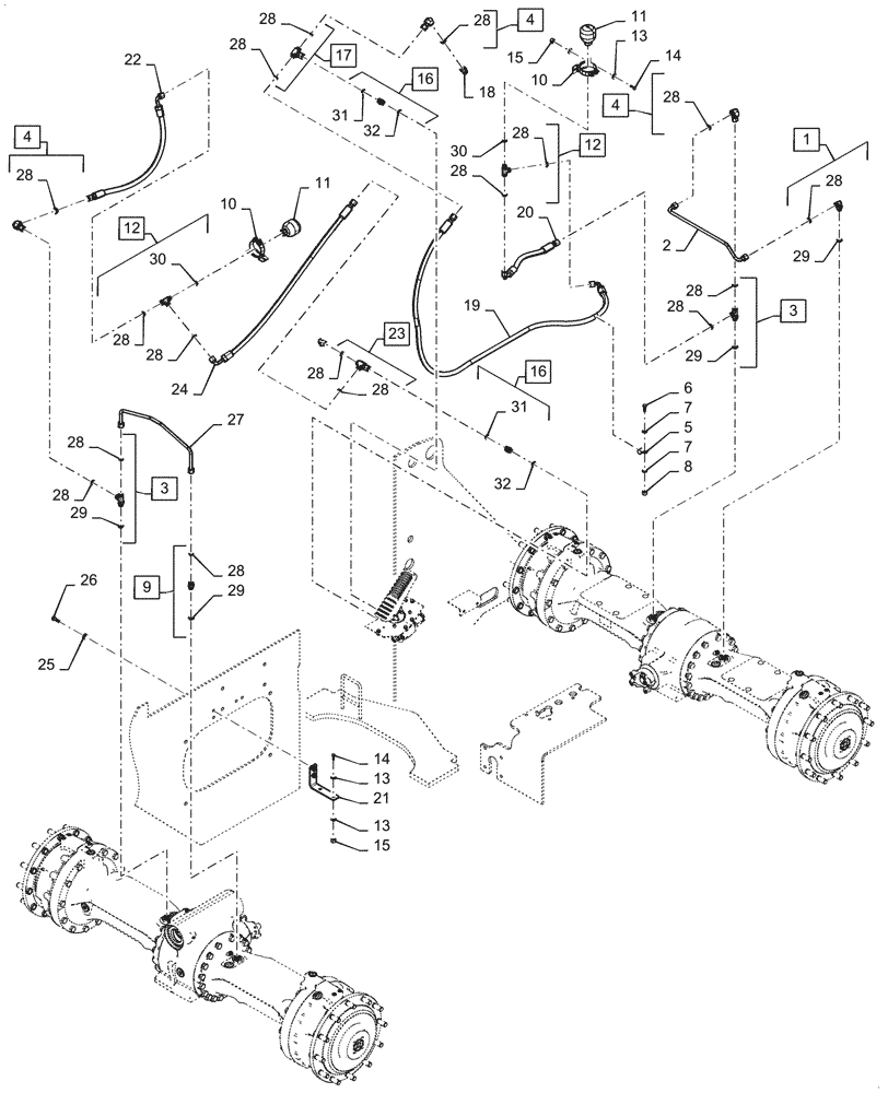
Запчасти Case 521G (33.202.030) - VAR - 424235 - HEAVY DUTY BRAKE LINE INSTALLATION (33) - BRAKES & CONTROLS

Схема запчастей Case 521G - (33.202.030) - VAR - 424235 - HEAVY DUTY BRAKE LINE INSTALLATION (33) - BRAKES & CONTROLS
28
22
28
28
28
12
28
28
11
28
24
15
32
28
28
29
8
13
29
3
27
28
29
26
18
4
19
16
13
11
31
4
30
23
21
6
32
9
28
15
29
10
14
28
31
13
5
12
3
25
16
4
1
17
28
28
28
30
7
2
28
7
14
10
28
20
FIT
1:1
100%

Артикул

Название

Примечание

Количество

1

700-305

ELBOW,90 Degree Elbow, 13/16" - 16 Male ORFS x M18 x 1.5 Male ORB

Incl 28, 29

1шт.

2

87552628

TUBE,10.2 mm ID x 12.7 mm OD x 480, 50 mm L

Front Axle

1шт.

3

700-412

TEE,13/16" - 16 Male ORFS x 13/16" - 16 Male ORFS x M18 x 1.5 Male ORB

Incl 28, 29

2шт.

4

701-320

ELBOW,90 Degree Elbow, 13/16" - 16 Male ORFS x 13/16" - 16 Female ORFS

Incl 28

3шт.

5

515-24222

CLAMP,7/8", Insul, 7/16" Bolt

1шт.

6

627-10030

BOLT,Hex, M10 x 1.5 x 30mm, Cl 10.9, Full Thd

1шт.

7

895-11010

WASHER,11mm ID x 20mm OD x 2mm Thk

2шт.

8

832-10410

NUT,M10 x 1.5, Cl 8

1шт.

9

700-102

HYD CONNECTOR,13/16" - 16 Male ORFS x M18 x 1.5 Male ORB

Incl 28, 29

1шт.

10

84272713

CLAMP,73mm - 79mm

2шт.

11

84393492

ACCUMULATOR

Brake Damping

2шт.

12

84218880

RUN TEE,13/16" - 16 ORFS x 13/16" - 16 ORFS x 9/16" - 18 ORB

Incl 28, 30

2шт.

13

895-15008

WASHER,9mm ID x 20mm OD x 1.6mm Thk

8шт.

14

627-8025

BOLT,Hex, M8 x 1.25 x 25mm, Cl 10.9, Full Thd

4шт.

15

832-10408

NUT,M8 x 1.25, Cl 8.8

4шт.

16

700-169

HYD CONNECTOR,13/16" - 16 Male ORFS x M16 x 1.5 Male ORB

Incl 31, 32

2шт.

17

701-411

TEE,13/16" - 16 Male ORFS x 13/16" - 16 Male ORFS x 13/16" - 16 Female ORFS

Incl 28

1шт.

18

190316A1

COUPLING

Diagnostic

2шт.

19

47674804

HOSE

Brake Valve to Accumulator, Front, 2243mm L, Incl 28

1шт.

20

84537498

FLEXIBLE HOSE,12.7mm ID x 400mm L, SAE 100R1

Accumulator to Axle, Front, Incl 28

1шт.

21

84403440

BRACKET

Brake Damping, Rear

1шт.

22

84414462

FLEXIBLE HOSE,12.7mm ID x 786mm L, SAE 100R1

Accumulator to Axle, Rear, Incl 28

1шт.

23

701-416

TEE,13/16" - 16 Male ORFS x 13/16" - 16 Male ORFS x 13/16" - 16 Female ORFS

Incl 28

1шт.

24

47674803

HOSE

Brake Valve to Accumulator, Rear, 1089mm L, Incl 28

1шт.

25

896-15012

WASHER,13.5mm ID x 28mm OD x 4mm Thk

2шт.

26

627-12035

BOLT,Hex, M12 x 1.75 x 35mm, Cl 10.9, Full Thd

2шт.

27

87628241

TUBE,10.22 mm ID x 12.7 mm OD x 480, 174 mm L

Rear Axle

1шт.

28

238-6014

O-RING,0.07" Thk x 0.489" ID, -14, Cl 6, 90 Duro

10шт.

29

637-63153

O-RING,2.2mm Thk x 15.3mm ID, Cl 6, 90 Duro

3шт.

30

237-6006

O-RING,0.078" Thk x 0.468" ID, -906, Cl 6, 90 Duro

1шт.

31

238-6016

O-RING,0.07" Thk x 0.614" ID, -16, Cl 6, 90 Duro

1шт.

32

637-63133

O-RING,2.2mm Thk x 13.3mm ID, Cl 6, 90 Duro

1шт.

Выбрано товаров: 32