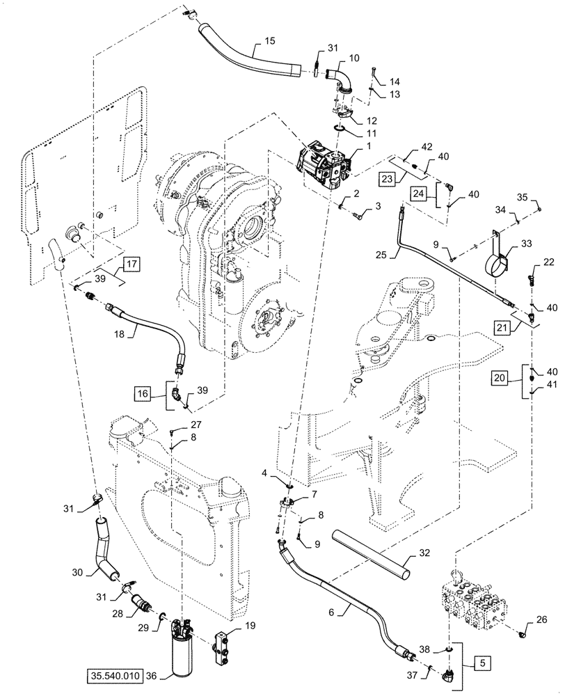
Запчасти Case 521G (35.106.010) - MAIN HYDRAULIC PUMP INSTALLATION (35) - HYDRAULIC SYSTEMS

Схема запчастей Case 521G - (35.106.010) - MAIN HYDRAULIC PUMP INSTALLATION (35) - HYDRAULIC SYSTEMS
35.540.010
31
19
10
24
8
42
40
2
27
39
31
39
38
30
29
40
5
34
25
1
22
14
11
15
8
33
17
40
13
41
9
31
3
35
12
40
32
6
20
16
21
37
18
9
7
4
26
36
28
23
FIT
1:1
100%

Артикул

Название

Примечание

Количество

1

84136352

HYDRAULIC PUMP,71 CC

1шт.

2

896-11016

WASHER,17.5mm ID x 30mm OD x 4mm Thk

2шт.

3

627-16045

BOLT,Hex, M16 x 2 x 45mm, Cl 10.9, Full Thd

2шт.

4

238-6219

O-RING,0.139" Thk x 1.296" ID, -219, Cl 6, 90 Duro

1шт.

5

700-308

ELBOW,90 Degree Elbow, 1-7/16" - 12 Male ORFS x M33 x 2 Male ORB

Incl 37, 38

1шт.

6

404041A1

HOSE ASSY.

Pump Pressure, 1290mm L

1шт.

7

A12306

FLANGE

2шт.

8

895-11010

WASHER,11mm ID x 20mm OD x 2mm Thk

8шт.

9

627-10030

BOLT,Hex, M10 x 1.5 x 30mm, Cl 10.9, Full Thd

6шт.

10

365417A1

TUBE,50.8 mm OD, 130, 100 mm Length

Pump Suction

1шт.

11

238-5228

O-RING,0.139" Thk x 2.234" ID, -228, Cl 5, 75 Duro

1шт.

12

A14141

FLANGE

2шт.

13

895-11012

WASHER,13.5mm ID x 24mm OD x 2.5mm Thk

4шт.

14

627-12040

BOLT,Hex, M12 x 1.75 x 40mm, Cl 10.9, Full Thd

4шт.

15

87479709

HYDRAULIC HOSE,5.08 mm ID x 755.00 mm, SAE 100R4 CLASS 4 TYPE 2

Tank to Elbow

1шт.

16

700-307

ELBOW,90 Degree Elbow, 1-3/16" - 12 Male ORFS x M27 x 2 Male ORB

Incl 39

1шт.

17

700-104

HYD CONNECTOR,1-3/16" - 12 Male ORFS x M27 x 2 Male ORB

Incl 39

1шт.

18

87704891

HOSE ASSY.

Case Drain, Pump to Tank, 782mm L

1шт.

19

47752339

MANIFOLD

for Hydraulic Filter

1шт.

20

700-153

HYD CONNECTOR,9/16" - 18 Male ORFS x M14 x 1.5 Male ORB

Incl 40, 41

1шт.

21

701-421

TEE,9/16" - 18 Male ORFS x 9/16" - 18 Male ORFS x 9/16" - 18 Female ORFS

Incl 40

1шт.

22

190117A1

COUPLING

Diagnostic

1шт.

23

700-100

HYD CONNECTOR,9/16" - 18 Male ORFS x M12 x 1.5 Male ORB

Incl 40, 42

1шт.

24

701-329

ELBOW,90 Degree Elbow, 9/16" - 18 Male ORFS x 9/16" - 18 Female ORFS

Incl 40

1шт.

25

366008A1

HOSE ASSY.

Pump Load

1шт.

26

178889A1

DIAGNOSTIC COUPLER

1шт.

27

627-10025

BOLT,Hex, M10 x 1.5 x 25mm, Cl 10.9, Full Thd

4шт.

28

390208A2

ADAPTER

1шт.

29

637-64386

O-RING,2.9mm Thk x 38.6mm ID, Cl 6, 90 Duro

1шт.

30

429045A1

HOSE

Tank Return

1шт.

31

254026A1

HOSE CLAMP,44.45mm - 66.67mm

4шт.

32

401525A1

HOSE PROTECTION,60.00 mm ID x 600.00 mm

1шт.

33

401527A2

STRAP

2шт.

34

895-15010

WASHER,11mm ID x 24mm OD x 2mm Thk

4шт.

35

832-10410

NUT,M10 x 1.5, Cl 8

2шт.

36

47562739

FILTER ASSY

Hydraulic Oil Filter Assembly

1шт.

37

637-64296

O-RING,2.9mm Thk x 29.6mm ID, Cl 6, 90 Duro

1шт.

38

238-6021

O-RING,15/16 X 1 - 1/16, Cl 6

1шт.

39

238-6018

O-RING,0.07" Thk x 0.739" ID, -18, Cl 6, 90 Duro

2шт.

40

238-6011

O-RING,0.07" Thk x 0.301" ID, -11, Cl 6, 90 Duro

4шт.

41

637-63113

O-RING,2.2mm Thk x 11.3mm ID, Cl 6

1шт.

42

637-63093

O-RING,2.2mm Thk x 9.3mm ID, Cl 6, 90 Duro

1шт.

Выбрано товаров: 42