Запчасти Case 521G (35.701.040) - VAR - X20178X - BY-PASS VALVE, NON-RIDE CONTROL (35) - HYDRAULIC SYSTEMS

Схема запчастей Case 521G - (35.701.040) - VAR - X20178X - BY-PASS VALVE, NON-RIDE CONTROL (35) - HYDRAULIC SYSTEMS
35.106.010
5
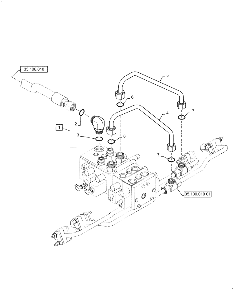
1
4
6
7
3
6
7
2
35.100.010 01
FIT
1:1
100%

Артикул

Название

Примечание

Количество

1

700-308

ELBOW,90 Degree Elbow, 1-7/16" - 12 Male ORFS x M33 x 2 Male ORB

Incl 2, 3

1шт.

2

238-6021

O-RING,15/16 X 1 - 1/16, Cl 6

1шт.

3

637-64296

O-RING,2.9mm Thk x 29.6mm ID, Cl 6, 90 Duro

1шт.

4

87452291

TUBE,19.05 mm OD

Lift Head End

1шт.

5

87452293

TUBE,19.05 mm OD

Lift Rod End

1шт.

6

238-6018

O-RING,0.07" Thk x 0.739" ID, -18, Cl 6, 90 Duro

2шт.

7

238-6021

O-RING,15/16 X 1 - 1/16, Cl 6

2шт.

Выбрано товаров: 7