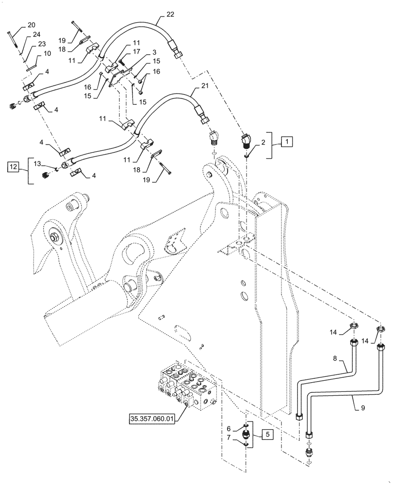
Запчасти Case 521G (35.701.060) - VAR - 734053, 734054, 734055 - 3 SPOOL AUXILIARY HYDRAULIC LINE INSTALLATION, XT (35) - HYDRAULIC SYSTEMS

Схема запчастей Case 521G - (35.701.060) - VAR - 734053, 734054, 734055 - 3 SPOOL AUXILIARY HYDRAULIC LINE INSTALLATION, XT (35) - HYDRAULIC SYSTEMS
35.357.060.01
15
11
6
3
14
19
13
16
9
4
1
15
24
21
4
20
4
10
23
15
16
5
17
4
11
11
11
18
22
7
12
18
8
19
2
14
FIT
1:1
100%

Артикул

Название

Примечание

Количество

1

87302137

ELBOW,45 Degree, 1 3/16"-12, ORFS, Blkhd

Incl 2

2шт.

2

238-6018

O-RING,0.07" Thk x 0.739" ID, -18, Cl 6, 90 Duro

2шт.

3

87444440

BRACKET

Accessory Hose Mounting

1шт.

4

372453A1

BLOCK

Tube Mounting

2шт.

5

700-104

HYD CONNECTOR,1-3/16" - 12 Male ORFS x M27 x 2 Male ORB

Incl 6, 7

2шт.

6

238-6018

O-RING,0.07" Thk x 0.739" ID, -18, Cl 6, 90 Duro

2шт.

7

637-64236

O-RING,2.9mm Thk x 23.6mm ID, Cl 6, 90 Duro

2шт.

8

87480862

HYD TUBE,19.05 mm OD x 854, 464 mm L

Third Spool, Right

1шт.

9

87448143

HYD TUBE,19.05 mm OD x 934, 553 mm L

Third Spool, Left

1шт.

10

367658A1

PLATE

Clamp Cover

1шт.

11

87452747

CLAMP,33.4mm ID

Tube Mounting

2шт.

12

701-914

PLUG,Hex, 1-3/16" - 12 ORFS

Incl 13

2шт.

13

238-6018

O-RING,0.07" Thk x 0.739" ID, -18, Cl 6, 90 Duro

2шт.

14

701-1249

BHD LOCK NUT,1-3/16" - 12

2шт.

15

895-11010

WASHER,11mm ID x 20mm OD x 2mm Thk

8шт.

16

832-10410

NUT,M10 x 1.5, Cl 8

6шт.

17

627-10035

BOLT,Hex, M10 x 1.5 x 35mm, Cl 10.9, Full Thd

2шт.

18

8500858

PLATE

Clamp Cover

2шт.

19

827-10090

BOLT,Hex, M10 x 1.5 x 90mm, Cl 10.9

4шт.

20

827-10110

BOLT,Hex, M10 x 1.5 x 110mm, Cl 10.9

2шт.

21

87304919

HOSE ASSY.

Lower

1шт.

22

87304918

HOSE ASSY.

Upper

1шт.

23

895-15010

WASHER,11mm ID x 24mm OD x 2mm Thk

2шт.

24

895-11010

WASHER,11mm ID x 20mm OD x 2mm Thk

2шт.

Выбрано товаров: 24