Запчасти Case 521G (41.200.020) - VAR - 782441 - STANDARD STEERING - W/O JOYSTICK (41) - STEERING

Схема запчастей Case 521G - (41.200.020) - VAR - 782441 - STANDARD STEERING - W/O JOYSTICK (41) - STEERING
5
18
14
2
9
12
4
15
1
17
8
6
10
7
18
11
3
16
13
14
FIT
1:1
100%

Артикул

Название

Примечание

Количество

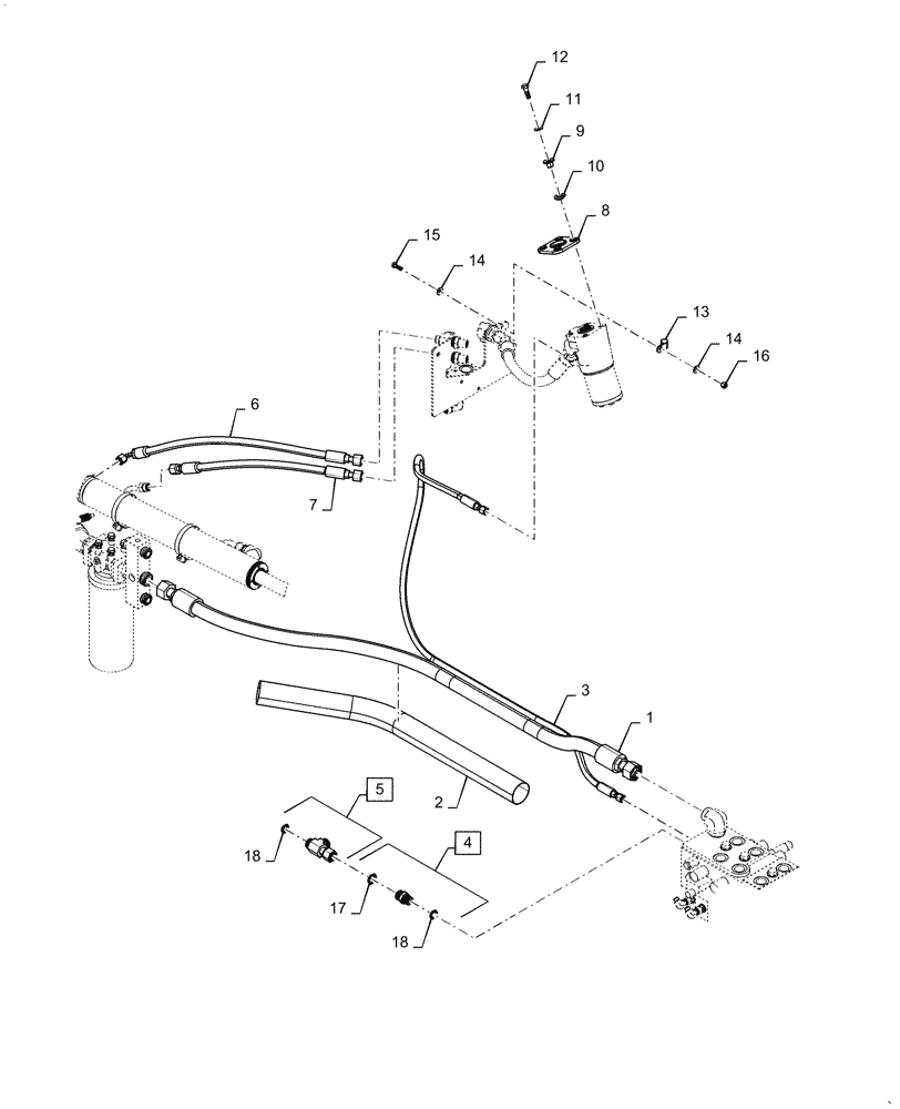
1

365516A2

HOSE ASSY.

Valve to Return, 1613mm L

1шт.

2

401526A1

HOSE PROTECTION,60mm ID x 1200mm L

1шт.

3

87629974

HOSE ASSY.

Steering, 2067mm L

1шт.

4

700-103

HYD CONNECTOR,1" - 14 Male ORFS x M22 x 1.5 Male ORB

Incl 17, 18

1шт.

5

701-433

TEE,1" - 14 Male ORFS x 1" - 14 Male ORFS x 1" - 14 Female ORFS

Incl 18

1шт.

6

87668579

HOSE ASSY.

Right, Base Steering, 730mm L

1шт.

7

87668578

HOSE ASSY.

Right, Rod Steering, 541mm L

1шт.

8

84553550

ISOLATOR

Steering Pump

1шт.

9

84328904

GUIDE BUSHING,10mm ID x 26mm OD x 18.5mm L

Steel Mount

4шт.

10

84328905

RUBBER BUSHING,15mm ID x 19.5mm OD x 7.5mm L

Rubber Mount

4шт.

11

140045

BELLEVILLE WASHER,M10 Bolt Size x 22mm OD x 1.6mm Thk

4шт.

12

627-10030

BOLT,Hex, M10 x 1.5 x 30mm, Cl 10.9, Full Thd

4шт.

13

515-23159

CLAMP,5/8", Insul, 3/8" Bolt

1шт.

14

895-15008

WASHER,9mm ID x 20mm OD x 1.6mm Thk

2шт.

15

627-8025

BOLT,Hex, M8 x 1.25 x 25mm, Cl 10.9, Full Thd

1шт.

16

832-10408

NUT,M8 x 1.25, Cl 8.8

1шт.

17

637-63193

O-RING,2.2mm Thk x 19.3mm ID, Cl 6, 90 Duro

1шт.

18

238-6016

O-RING,0.07" Thk x 0.614" ID, -16, Cl 6, 90 Duro

3шт.

Выбрано товаров: 18