Запчасти Case 521G (41.200.040) - VAR - 782442 - SECONDARY STEERING, NO JOYSTICK (41) - STEERING

Схема запчастей Case 521G - (41.200.040) - VAR - 782442 - SECONDARY STEERING, NO JOYSTICK (41) - STEERING
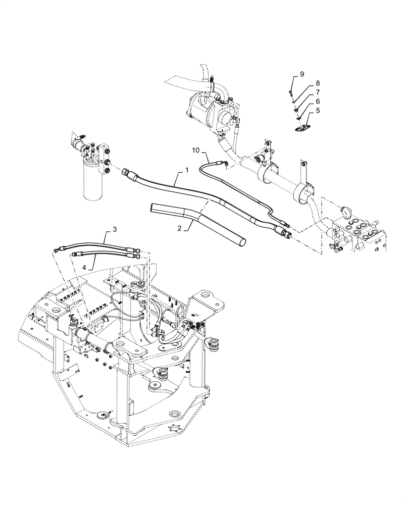
1
6
3
7
8
5
4
10
9
2
FIT
1:1
100%

Артикул

Название

Примечание

Количество

1

365516A2

HOSE ASSY.

Valve to Return, 1613mm L

1шт.

2

401526A1

HOSE PROTECTION,60mm ID x 1200mm L

1шт.

3

87668579

HOSE ASSY.

Steering, Right Base, 730mm L

1шт.

4

87668578

HOSE ASSY.

Steering, Right Rod, 541mm L

1шт.

5

84553550

ISOLATOR

Steering Pump

1шт.

6

84328905

RUBBER BUSHING,15mm ID x 19.5mm OD x 7.5mm L

4шт.

7

84328904

GUIDE BUSHING,10mm ID x 26mm OD x 18.5mm L

4шт.

8

140045

BELLEVILLE WASHER,M10 Bolt Size x 22mm OD x 1.6mm Thk

4шт.

9

627-10035

BOLT,Hex, M10 x 1.5 x 35mm, Cl 10.9, Full Thd

4шт.

10

437596A1

HOSE ASSY.

Steering, Load Sensing, 1461mm L

1шт.

Выбрано товаров: 10