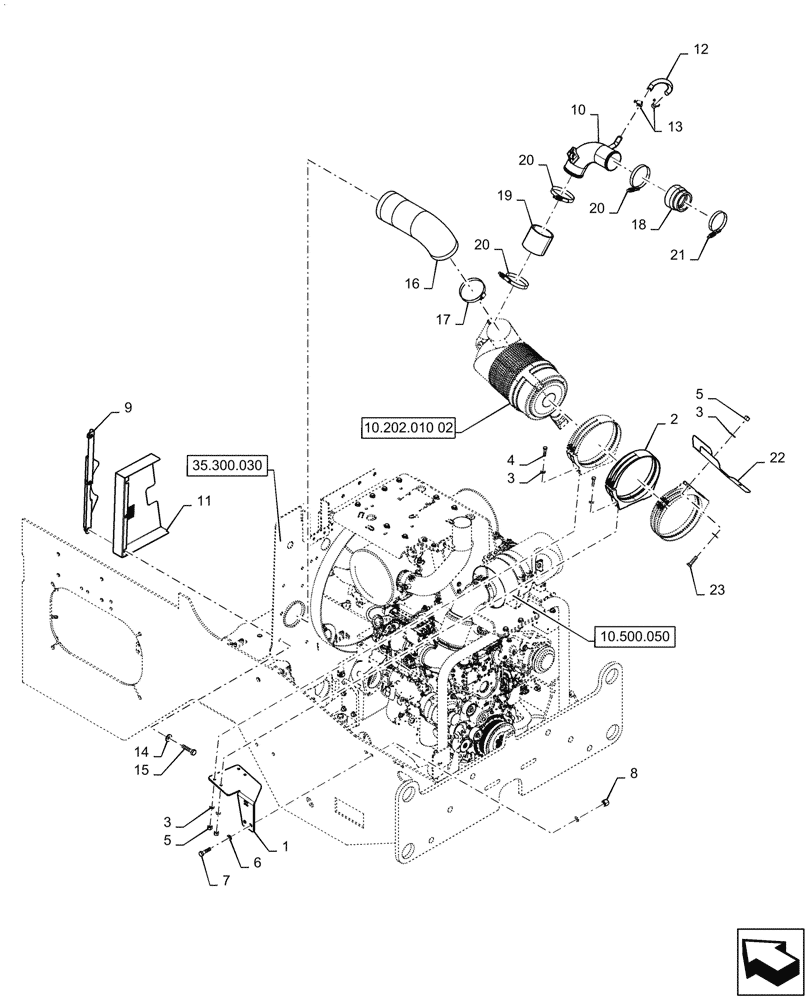
Запчасти Case 521G (10.202.010[01]) - AIR CLEANER & INTAKE PARTS (10) - ENGINE

Схема запчастей Case 521G - (10.202.010[01]) - AIR CLEANER & INTAKE PARTS (10) - ENGINE
10.202.010 02
20
3
3
19
14
20
18
4
11
13
23
17
10
15
16
1
20
21
8
22
3
5
9
6
2
7
5
12
35.300.030
10.500.050
FIT
1:1
100%

Артикул

Название

Примечание

Количество

1

47608184

BRACKET

Air Cleaner Support

1шт.

2

380813A1

BRACKET

Air Cleaner Mounting

3шт.

3

895-15008

WASHER,9mm ID x 20mm OD x 1.6mm Thk

12шт.

4

827-8035

BOLT,Hex, M8 x 1.25 x 35mm, Cl 10.9

4шт.

5

832-10408

NUT,M8 x 1.25, Cl 8.8

6шт.

6

896-11012

WASHER,13.5mm ID x 24mm OD x 3mm Thk

4шт.

7

627-12045

BOLT,Hex, M12 x 1.75 x 45mm, Cl 10.9, Full Thd

2шт.

8

832-10412

NUT,M12 x 1.75, Cl 8

2шт.

9

47599374

BRACKET

Inlet Screen

1шт.

10

47823936

TUBE

Air Intake

1шт.

11

47572845

SCREEN

Air Inlet

1шт.

12

47578955

HOSE

Crankcase Vent

1шт.

13

214-1412

HOSE CLAMP,#12, 0.69" - 1.25", Type F Worm

2шт.

14

896-15008

WASHER,9mm ID x 21mm OD x 2.5mm Thk

3шт.

15

627-8035

BOLT,Hex, M8 x 1.25 x 35mm, Cl 10.9, Full Thd

3шт.

16

84338590

SLEEVE

Air Inlet

1шт.

17

214-1480

HOSE CLAMP,#80, 4.62" - 5.5", Type F Worm

1шт.

18

84573870

FLEXIBLE HOSE

Air Cleaner

1шт.

19

84499417

FLEXIBLE HOSE

Air Intake

1шт.

20

87525506

CLAMP,3.75" - 4.62", Worm Gear

3шт.

21

76086813

CLAMP,3.25" - 4.12", Worm Gear

1шт.

22

47697038

HEAT SHIELD

Turbo

1шт.

23

627-8030

BOLT,Hex, M8 x 1.25 x 30mm, Cl 10.9, Full Thd

2шт.

Выбрано товаров: 23