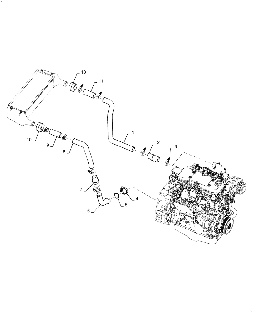
Запчасти Case 521G (10.400.040) - CHARGE AIR COOLER HOSES & TUBES (10) - ENGINE

Схема запчастей Case 521G - (10.400.040) - CHARGE AIR COOLER HOSES & TUBES (10) - ENGINE
1
3
9
5
2
4
10
8
11
10
6
7
FIT
1:1
100%

Артикул

Название

Примечание

Количество

1

47739889

TUBE

Charge Air

1шт.

2

87617020

HOSE ASSY.

Charge Air

1шт.

3

254026A1

HOSE CLAMP,44.45mm - 66.67mm

8шт.

4

84365315

CLAMP,68mm

1шт.

5

84364093

O-RING,0.103" Thk x 2.05" ID, -137, Cl 7, 75 Duro

1шт.

6

47717132

TUBE

Air Intake

1шт.

7

87340027

HOSE,50.80mm ID x 127mm L

Charge Air

1шт.

8

47717131

TUBE

Air Intake

1шт.

9

87340023

HOSE,50.80mm ID x 127mm L

Charge Air Cooler

1шт.

10

402614A1

SEAL

2шт.

11

87340020

HOSE,50.80mm ID x 127mm L

Charge Air Cooler

1шт.

Выбрано товаров: 11