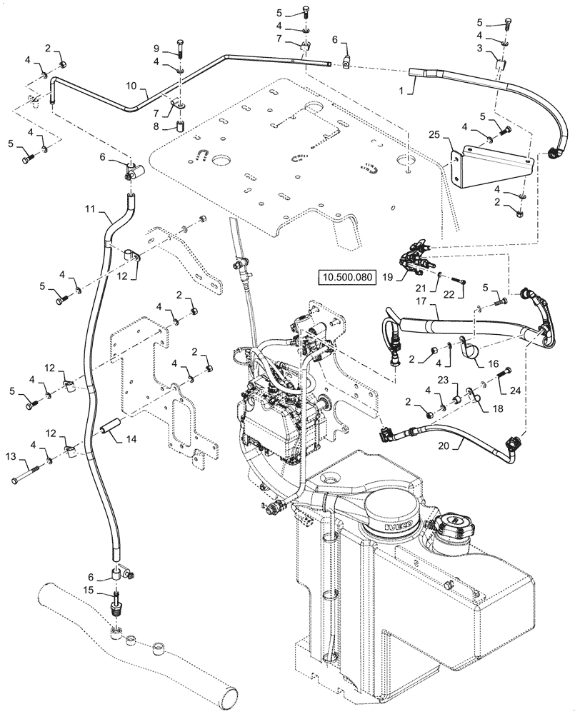
Запчасти Case 521G (10.500.060) - SELECTIVE CATALYTIC REDUCTION LINE INSTALLATION (10) - ENGINE

Схема запчастей Case 521G - (10.500.060) - SELECTIVE CATALYTIC REDUCTION LINE INSTALLATION (10) - ENGINE
16
4
6
23
6
5
8
2
13
12
20
4
5
1
4
17
4
4
2
3
9
4
5
5
4
6
12
4
5
4
22
2
10
19
7
24
25
5
7
15
5
4
4
12
11
14
4
2
21
2
4
4
2
18
10.500.080
FIT
1:1
100%

Артикул

Название

Примечание

Количество

1

47757147

HOSE

Coolant

1шт.

2

832-10408

NUT,M8 x 1.25, Cl 8.8

8шт.

3

515-23190

CLAMP,3/4", Insul, 3/8" Bolt

2шт.

4

895-11008

WASHER,9mm ID x 16mm OD x 1.6mm Thk

23шт.

5

627-8025

BOLT,Hex, M8 x 1.25 x 25mm, Cl 10.9, Full Thd

9шт.

6

214-1406

HOSE CLAMP,#06, 0.44" - 0.78", Type F Worm

3шт.

7

515-2395

CLAMP,3/8", Insul, 3/8" Bolt

3шт.

8

87748964

SPACER

1шт.

9

827-8045

BOLT,Hex, M8 x 1.25 x 45mm, Cl 10.9

1шт.

10

47741821

TUBE

Coolant Return, 943mm L

1шт.

11

47742330

HOSE

Coolant, 1063mm L

1шт.

12

515-23159

CLAMP,5/8", Insul, 3/8" Bolt

3шт.

13

827-8080

BOLT,Hex, M8 x 1.25 x 80mm, Cl 10.9

1шт.

14

86013195

TUBE,10.20 mm ID x 15.87 mm OD x 57 mm L

Pivot Spacer

1шт.

15

84214053

HYD CONNECTOR

1шт.

16

515-24317

CLAMP,1 1/4", Insul, 7/16" Bolt

2шт.

17

47575280

HOSE

DEF

1шт.

18

515-23143

CLAMP,9/16", Insul, 3/8" Bolt

2шт.

19

47506932

INJECTOR, EMISSIONS

1шт.

20

47575239

HOSE

Coolant

1шт.

21

895-11006

WASHER,6.6mm ID x 12mm OD x 1.6mm Thk

3шт.

22

120162

HEX SOC SCREW,M6 x 35mm, Cl 8.8

3шт.

23

84238738

SPACER,10.34mm ID x 15.88mm OD x 12mm L

1шт.

24

827-8035

BOLT,Hex, M8 x 1.25 x 35mm, Cl 10.9

1шт.

25

47757088

BRACKET

Coolant Return

1шт.

Выбрано товаров: 25