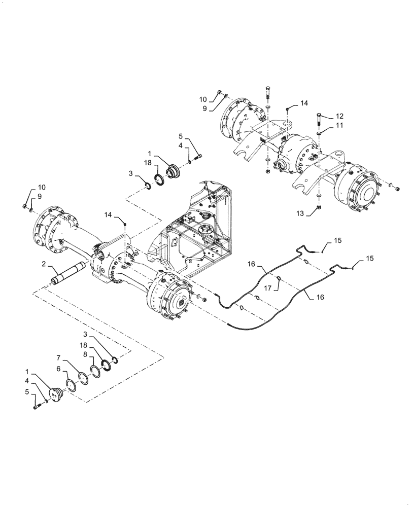
Запчасти Case 521G (25.100.020) - VAR - 424235 - HEAVY DUTY FRONT DIFFERENTIAL INSTALLATION (25) - FRONT AXLE SYSTEM

Схема запчастей Case 521G - (25.100.020) - VAR - 424235 - HEAVY DUTY FRONT DIFFERENTIAL INSTALLATION (25) - FRONT AXLE SYSTEM
17
14
1
18
16
6
12
4
15
3
9
14
11
8
18
10
2
3
5
13
15
1
9
10
4
7
16
5
FIT
1:1
100%

Артикул

Название

Примечание

Количество

1

87731989

PIVOT

End Cap

2шт.

2

87695940

PIN,71.94mm OD x 463mm L

Pivot

1шт.

3

238-5232

O-RING,0.139" Thk x 2.734" ID, -232, Cl 5, 75 Duro

2шт.

4

896-11020

WASHER,22mm ID x 37mm OD x 4mm Thk

4шт.

5

863-20070

HEX SOC SCREW,M20 x 70mm, 12.9

4шт.

6

8500053

SHIM,112.5mm ID x 147mm OD x 0.5mm Thk

1шт.

7

8500054

SHIM,112.5mm ID x 147mm OD x 1mm Thk

1шт.

8

8500055

SHIM,112.5mm ID x 147mm OD x 1.5mm Thk

1шт.

9

896-11022

WASHER,24mm ID x 44mm OD x 4mm Thk

48шт.

10

84227695

NUT

M22 X 1.5 CLASS 10 ZND

48шт.

11

896-11024

WASHER,26mm ID x 44mm OD x 5mm Thk

16шт.

12

827-24130

BOLT,Hex, M24 x 3 x 130mm, Cl 10.9

8шт.

13

829-1424

NUT,M24, Cl 10

8шт.

14

8603201

BREATHER

Valve

2шт.

15

F53473

LOCK NUT,1/8-27 NPSM

2шт.

16

84365492

HOSE,4.83mm ID x 1122mm L

Grease Axle Bushing

2шт.

17

L11541

CABLE TIE,203.2mm L, Nylon

4шт.

18

84477326

SEAL,99.4mm ID x 127.17mm OD x 14.5mm Thk

Grease

2шт.

Выбрано товаров: 18