Запчасти Case 621G (35.701.050) - NON RIDE CONTROL FITTING INSTALLATION (35) - HYDRAULIC SYSTEMS

Схема запчастей Case 621G - (35.701.050) - NON RIDE CONTROL FITTING INSTALLATION (35) - HYDRAULIC SYSTEMS
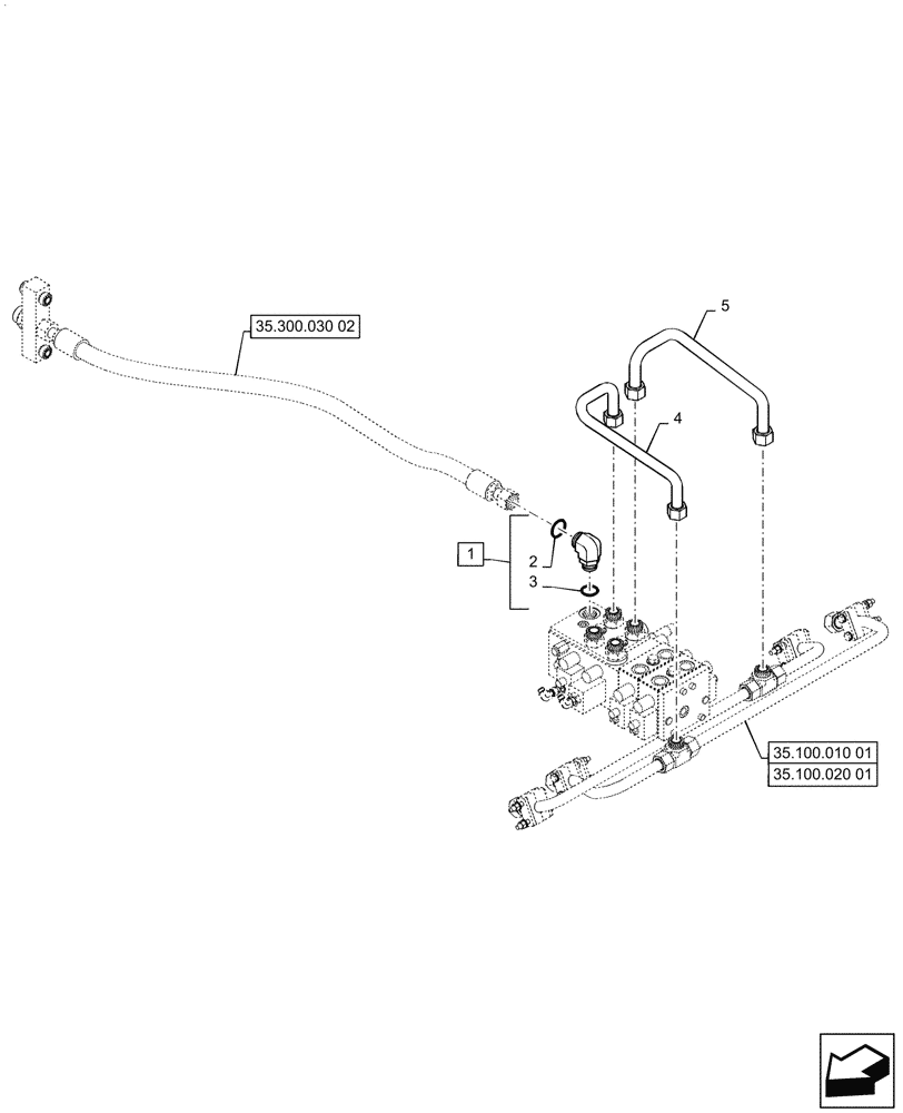
4
5
3
1
2
35.300.030 02
35.100.010 01
35.100.020 01
FIT
1:1
100%

Артикул

Название

Примечание

Количество

1

700-308

ELBOW,90 Degree Elbow, 1-7/16" - 12 Male ORFS x M33 x 2 Male ORB

Incl 2, 3

1шт.

2

238-6021

O-RING,15/16 X 1 - 1/16, Cl 6

1шт.

3

637-64296

O-RING,2.9mm Thk x 29.6mm ID, Cl 6, 90 Duro

1шт.

4

87389244

HYD TUBE,19.4mm ID x 25.40mm OD x 252mm, 150 mm L

Lift Head End

1шт.

5

8606096

TUBE,25.40mm OD

Lift Rod End

1шт.

Выбрано товаров: 5