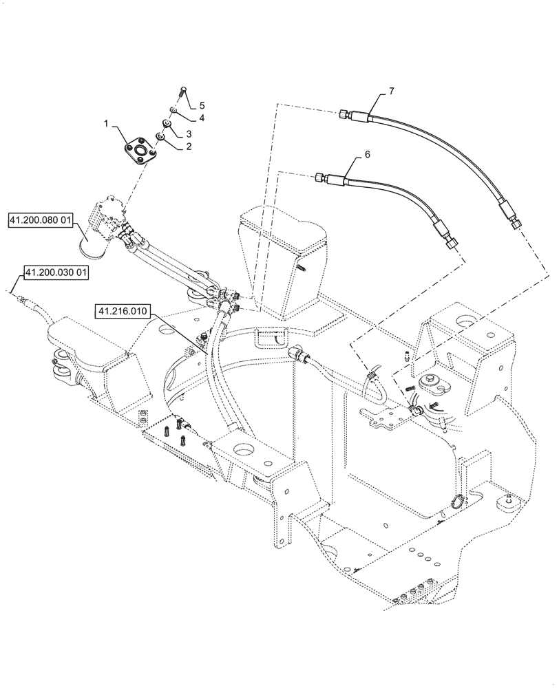
Запчасти Case 621G (41.200.040[01]) - VAR - 782442 - ELECTRIC SYSTEM CONTROL, STEERING - W/O JOYSTICK (41) - STEERING

Схема запчастей Case 621G - (41.200.040[01]) - VAR - 782442 - ELECTRIC SYSTEM CONTROL, STEERING - W/O JOYSTICK (41) - STEERING
1
5
2
3
4
6
41.200.030 01
7
41.216.010
41.200.080 01
FIT
1:1
100%

Артикул

Название

Примечание

Количество

1

84553550

ISOLATOR

Steering Pump

1шт.

2

84328905

RUBBER BUSHING,15mm ID x 19.5mm OD x 7.5mm L

4шт.

3

84328904

GUIDE BUSHING,10mm ID x 26mm OD x 18.5mm L

4шт.

4

140045

BELLEVILLE WASHER,M10 Bolt Size x 22mm OD x 1.6mm Thk

4шт.

5

627-10035

BOLT,Hex, M10 x 1.5 x 35mm, Cl 10.9, Full Thd

4шт.

6

8602590

FLEXIBLE HOSE

Right Side Rod

1шт.

7

87519795

HOSE ASSY.

Steering Cylinder

1шт.

Выбрано товаров: 7