Запчасти Case 621G (55.024.010[01]) - TRANSMISSION HARNESS INSTALLATION (55) - ELECTRICAL SYSTEMS

Схема запчастей Case 621G - (55.024.010[01]) - TRANSMISSION HARNESS INSTALLATION (55) - ELECTRICAL SYSTEMS
16
14
5
14
11
15
9
4
10
18
8
17
6
1
7
18
13
17
12
3
2
17
18
17
12
16
12
55.024.010 02
FIT
1:1
100%

Артикул

Название

Примечание

Количество

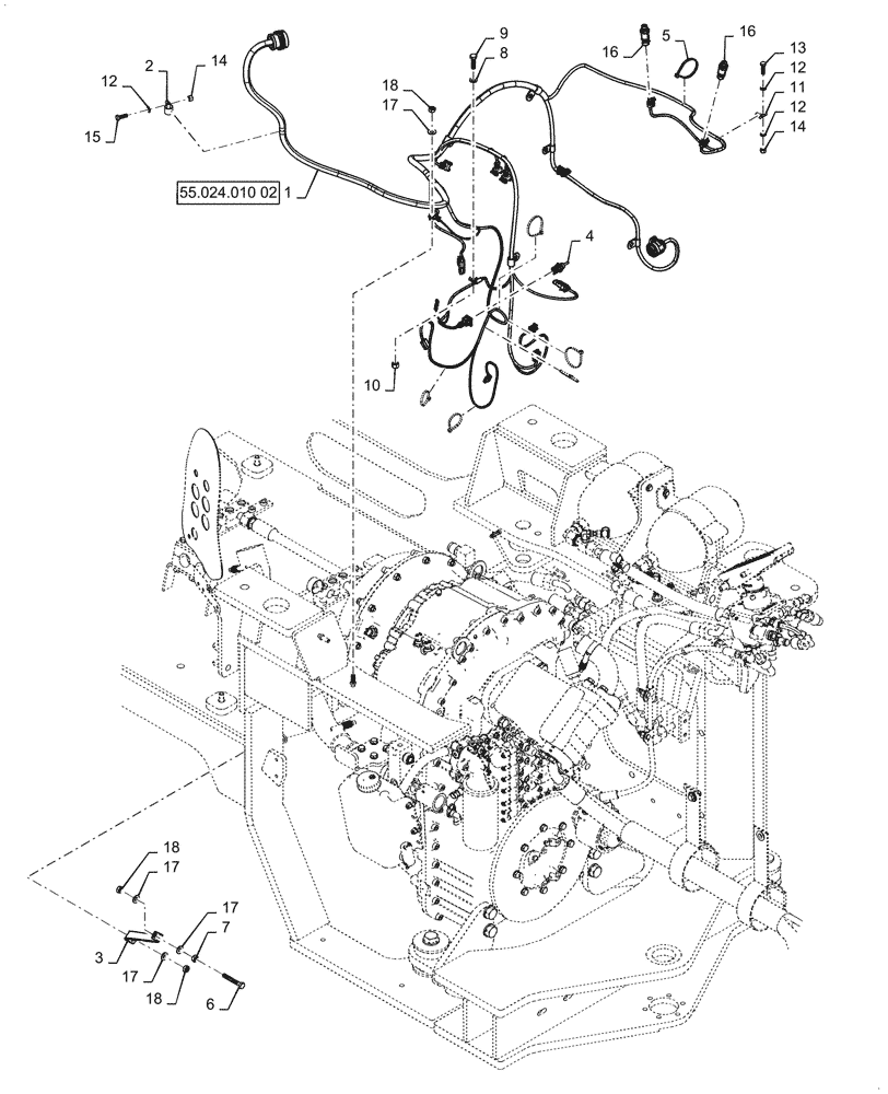
1

47865827

WIRE HARNESS

Transmission

1шт.

2

515-23190

CLAMP,3/4", Insul, 3/8" Bolt

1шт.

3

79028421

GROUND CABLE

1шт.

4

84574743

SENSOR

Temperature

1шт.

5

L11541

CABLE TIE,203.2mm L, Nylon

1шт.

6

627-10065

BOLT,Hex, M10 x 1.5 x 65mm, Cl 10.9, Full Thd

1шт.

7

829-1410

NUT,M10 x 1.5, Cl 10.9

1шт.

8

895-11010

WASHER,11mm ID x 20mm OD x 2mm Thk

1шт.

9

627-10035

BOLT,Hex, M10 x 1.5 x 35mm, Cl 10.9, Full Thd

1шт.

10

832-10410

NUT,M10 x 1.5, Cl 8

1шт.

11

515-2295

CLAMP,3/8", Insul, 5/16" Bolt

1шт.

12

895-11008

WASHER,9mm ID x 16mm OD x 1.6mm Thk

3шт.

13

627-8030

BOLT,Hex, M8 x 1.25 x 30mm, Cl 10.9, Full Thd

1шт.

14

832-10408

NUT,M8 x 1.25, Cl 8.8

2шт.

15

627-8025

BOLT,Hex, M8 x 1.25 x 25mm, Cl 10.9, Full Thd

1шт.

16

84409605

SENSOR

Pressure

2шт.

17

L127554

WASHER,0.395" ID x 0.875" OD x 0.064" Thk

4шт.

18

253347A1

NUT,Hex, M10 x 1.5

3шт.

Выбрано товаров: 0