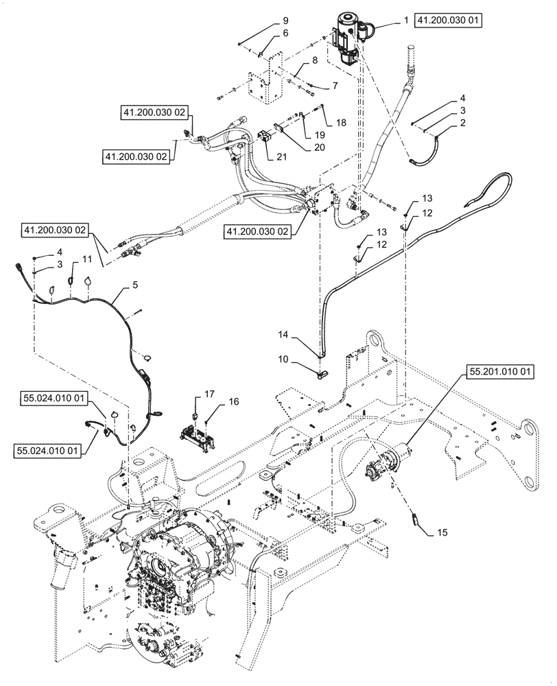
Запчасти Case 621G (55.047.010[01]) - VAR - 482913, 782442 - ELECTRIC SYSTEM CONTROL, STEERING - W/ JOYSTICK (55) - ELECTRICAL SYSTEMS

Схема запчастей Case 621G - (55.047.010[01]) - VAR - 482913, 782442 - ELECTRIC SYSTEM CONTROL, STEERING - W/ JOYSTICK (55) - ELECTRICAL SYSTEMS
12
18
15
17
4
2
12
3
4
8
3
11
14
9
19
21
16
7
6
1
13
13
55.024.010 01
55.024.010 01
41.200.030 01
41.200.030 02
41.200.030 02
41.200.030 02
41.200.030 02
55.201.010 01
5
10
20
FIT
1:1
100%

Артикул

Название

Примечание

Количество

1

84419597

MOTOR-PUMP

Aux Steering

1шт.

2

L129707

NEG BATTERY CABLE

400mm Long

1шт.

3

L127554

WASHER,0.395" ID x 0.875" OD x 0.064" Thk

2шт.

4

253347A1

NUT,Hex, M10 x 1.5

2шт.

5

47806037

WIRE HARNESS

1шт.

6

515-22159

CLAMP,5/8", Insul, 5/16" Bolt

1шт.

7

627-8025

BOLT,Hex, M8 x 1.25 x 25mm, Cl 10.9, Full Thd

1шт.

8

895-11008

WASHER,9mm ID x 16mm OD x 1.6mm Thk

2шт.

9

832-10408

NUT,M8 x 1.25, Cl 8.8

1шт.

10

L126713

BOOT

Electrical

1шт.

11

L11541

CABLE TIE,203.2mm L, Nylon

8шт.

12

515-24190

CLAMP,3/4", Insul, 7/16" Bolt

2шт.

13

895-11010

WASHER,11mm ID x 20mm OD x 2mm Thk

2шт.

14

87600841

CABLE

Aux Steering

1шт.

15

9603626

CLAMP

2шт.

16

84152583

FUSE,7.5A, Mini, Brown

1шт.

17

84368717

RELAY

1шт.

18

827-10070

BOLT,Hex, M10 x 1.5 x 70mm, Cl 10.9

2шт.

19

515-25159

CLAMP,5/8", Insul, 1/2" Bolt

1шт.

20

367658A1

PLATE

1шт.

21

367489A1

BLOCK

1шт.

Выбрано товаров: 0