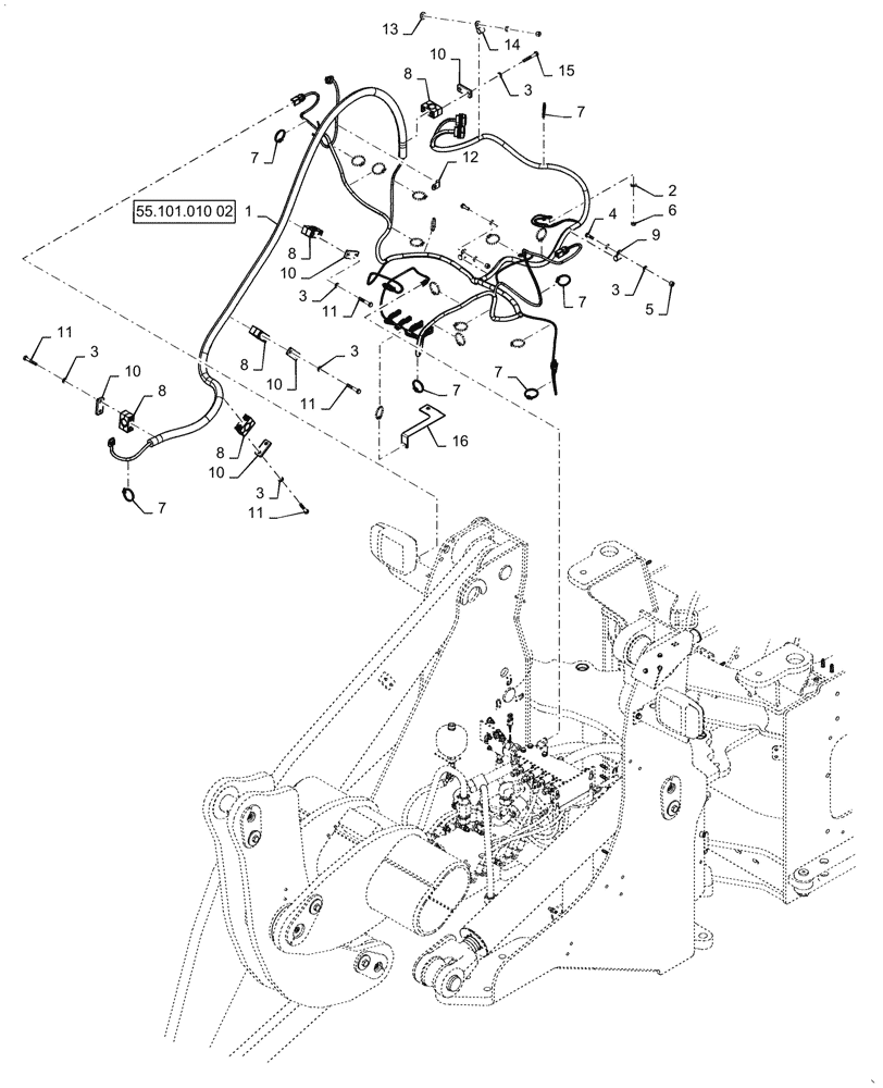
Запчасти Case 621G (55.101.010[01]) - FRONT CHASSIS HARNESS INSTALLATION, Z-BAR / XR (55) - ELECTRICAL SYSTEMS

Схема запчастей Case 621G - (55.101.010[01]) - FRONT CHASSIS HARNESS INSTALLATION, Z-BAR / XR (55) - ELECTRICAL SYSTEMS
55.101.010 02
3
3
14
15
11
7
7
10
10
8
9
3
11
6
8
7
1
10
12
11
16
8
10
4
7
3
7
3
2
10
3
8
11
8
7
13
5
FIT
1:1
100%

Артикул

Название

Примечание

Количество

1

47853186

WIRE HARNESS

Front Chassis, Z-Bar

1шт.

1

47857660

WIRE HARNESS

Front Chassis, XR

1шт.

2

L127554

WASHER,0.395" ID x 0.875" OD x 0.064" Thk

2шт.

3

895-11010

WASHER,11mm ID x 20mm OD x 2mm Thk

14шт.

4

627-10030

BOLT,Hex, M10 x 1.5 x 30mm, Cl 10.9, Full Thd

2шт.

5

832-10410

NUT,M10 x 1.5, Cl 8

4шт.

6

253347A1

NUT,Hex, M10 x 1.5

2шт.

7

L11541

CABLE TIE,203.2mm L, Nylon

22шт.

8

372453A1

BLOCK

Tube, Mounting

4шт.

9

515-24302

CLAMP,1 3/16", Insul, 7/16" Bolt

1шт.

10

367658A1

PLATE

Clamp Cover

4шт.

11

827-10060

BOLT,Hex, M10 x 1.5 x 60mm, Cl 10.9

6шт.

12

515-25111

CLAMP,7/16", Insul, 1/2" Bolt

1шт.

13

895-15012

WASHER,M12 x 28 x 2.5

2шт.

14

515-24190

CLAMP,3/4", Insul, 7/16" Bolt

1шт.

15

827-10070

BOLT,Hex, M10 x 1.5 x 70mm, Cl 10.9

2шт.

16

48084169

Harness Support

PLATE

1шт.

Выбрано товаров: 0