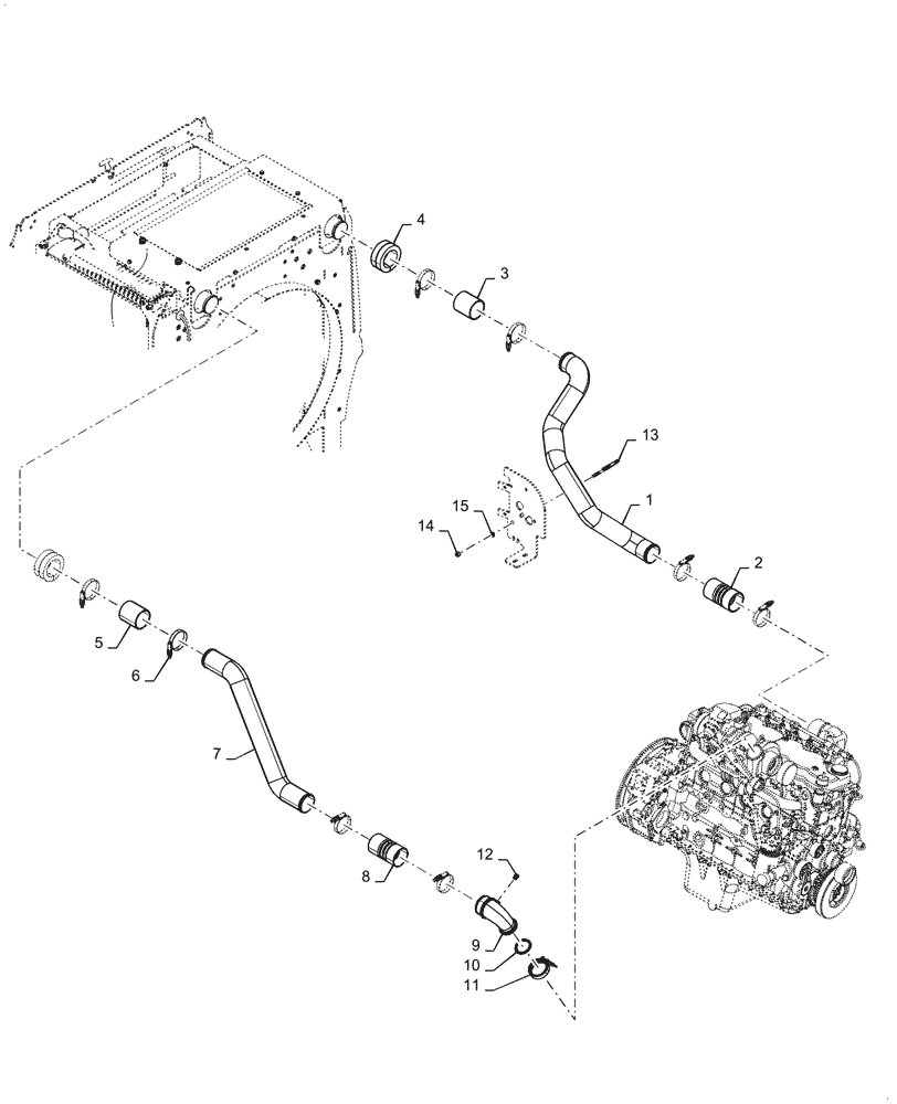
Запчасти Case 621G (10.400.040[02]) - COOLING SYSTEM LINE INSTALLATION (10) - ENGINE

Схема запчастей Case 621G - (10.400.040[02]) - COOLING SYSTEM LINE INSTALLATION (10) - ENGINE
14
13
5
15
10
8
3
2
4
12
9
1
7
11
6
FIT
1:1
100%

Артикул

Название

Примечание

Количество

1

47626093

TUBE

Cool Side

1шт.

2

87340015

INTAKE AIR HOSE,76.20mm ID x 140mm L

Charge Air

1шт.

3

87572378

HOSE

Intake

1шт.

4

8500167

SEAL

Charge Air Tubes

2шт.

5

87572375

HOSE,76.2mm ID x 89mm L

Air Intake

1шт.

6

L115549

CLAMP,69.85mm - 92.08mm

8шт.

7

47444590

TUBE

Hot Side, Lower

1шт.

8

87340284

INTAKE AIR HOSE,76.20mm ID x 129mm L

Charge Air

1шт.

9

J918685

PIPE

Turbo Outlet, Air Transfer

1шт.

10

J883284

O-RING,0.07" Thk x 2.364" ID, -36

Turbo Outlet

1шт.

11

J069053

CLAMP,66.54mm ID

1шт.

12

217-402

PLUG,Hex Hd, 1/8" - 27 NPT

1шт.

13

86012150

U-BOLT,M10, Round, 86mm W, 100mm L

1шт.

14

832-10410

NUT,M10 x 1.5, Cl 8

2шт.

15

896-11010

WASHER,11mm ID x 21mm OD x 2.5mm Thk

2шт.

Выбрано товаров: 15