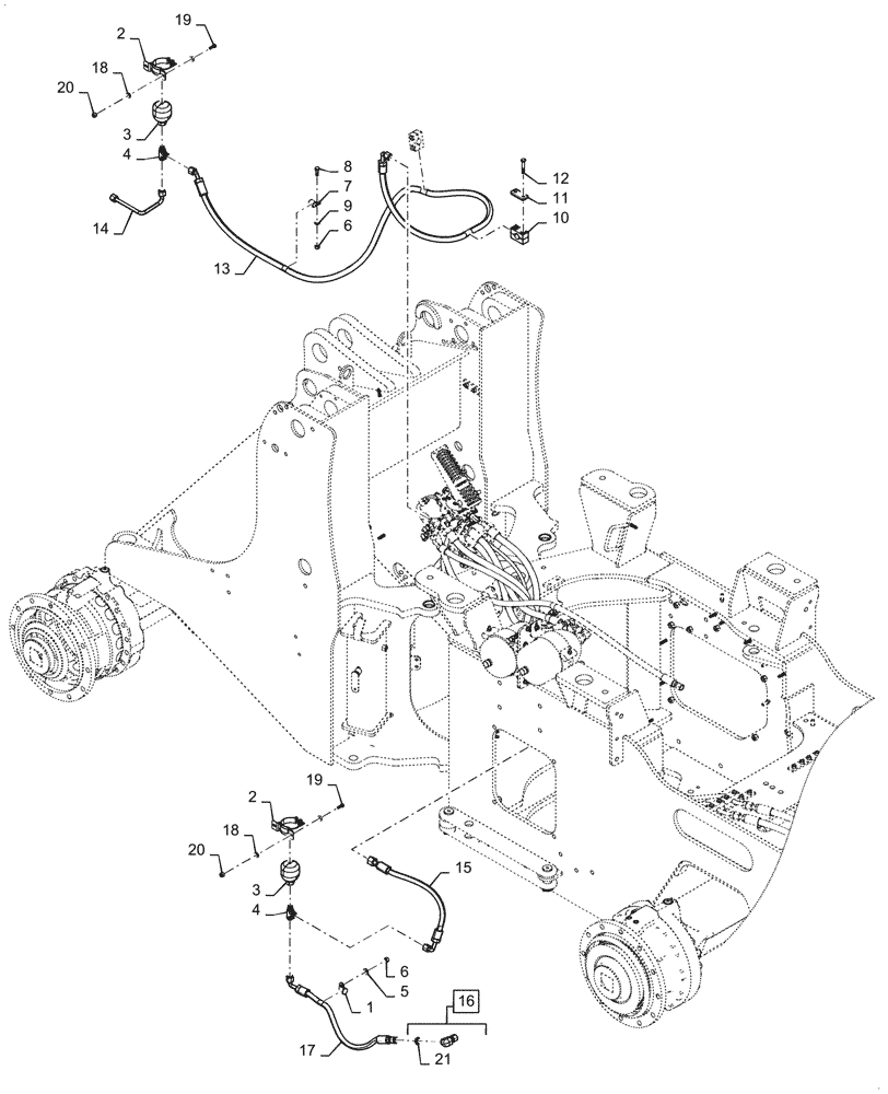
Запчасти Case 721G (33.202.020) - BRAKE LINE INSTALLATION, HEAVY DUTY (33) - BRAKES & CONTROLS

Схема запчастей Case 721G - (33.202.020) - BRAKE LINE INSTALLATION, HEAVY DUTY (33) - BRAKES & CONTROLS
14
18
18
6
1
2
21
6
3
8
16
12
20
4
10
19
7
9
4
2
5
17
19
11
13
15
3
20
FIT
1:1
100%

Артикул

Название

Примечание

Количество

1

515-24238

CLAMP,15/16", Insul, 7/16" Bolt

1шт.

2

84272713

CLAMP,73mm - 79mm

2шт.

3

84393492

ACCUMULATOR

Brake Damping

2шт.

4

84218880

RUN TEE,13/16" - 16 ORFS x 13/16" - 16 ORFS x 9/16" - 18 ORB

2шт.

5

895-15010

WASHER,11mm ID x 24mm OD x 2mm Thk

1шт.

6

832-10410

NUT,M10 x 1.5, Cl 8

2шт.

7

515-24222

CLAMP,7/8", Insul, 7/16" Bolt

1шт.

8

614-10030

BOLT,Hex, M10 x 1.5 x 30mm, Cl 8.8, Full Thd

1шт.

9

895-11010

WASHER,11mm ID x 20mm OD x 2mm Thk

1шт.

10

367489A1

BLOCK

Tube Mounting

2шт.

11

367658A1

PLATE

Clamp Cover

1шт.

12

827-10060

BOLT,Hex, M10 x 1.5 x 60mm, Cl 10.9

2шт.

13

47865239

HOSE

Brake Supply, Front

1шт.

14

84280370

HYD TUBE

Brake Supply, Front

1шт.

15

84272711

HOSE ASSY.

Brake Supply, Rear

1шт.

16

701-320

ELBOW,90 Degree Elbow, 13/16" - 16 Male ORFS x 13/16" - 16 Female ORFS

Incl 21

1шт.

17

84272714

HOSE ASSY.

Brake Supply, Rear

1шт.

18

895-15008

WASHER,9mm ID x 20mm OD x 1.6mm Thk

8шт.

19

627-8025

BOLT,Hex, M8 x 1.25 x 25mm, Cl 10.9, Full Thd

4шт.

20

832-10408

NUT,M8 x 1.25, Cl 8.8

4шт.

21

70923841

O-RING,0.07" Thk x 0.489" ID, -14, Cl 6, 90 Duro

1шт.

Выбрано товаров: 21