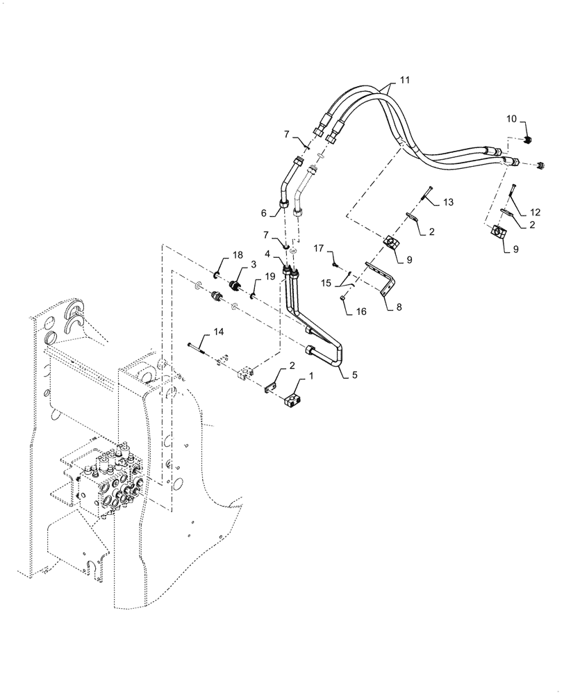
Запчасти Case 721G (35.701.070[01]) - VAR - 734053, 734054, 734055 - THIRD SPOOL AUXILIARY LINE INSTALLATION, Z BAR (35) - HYDRAULIC SYSTEMS

Схема запчастей Case 721G - (35.701.070[01]) - VAR - 734053, 734054, 734055 - THIRD SPOOL AUXILIARY LINE INSTALLATION, Z BAR (35) - HYDRAULIC SYSTEMS
6
9
7
1
18
4
9
8
11
2
2
17
14
13
10
5
16
2
3
19
15
12
7
FIT
1:1
100%

Артикул

Название

Примечание

Количество

1

367489A1

BLOCK

2шт.

2

367658A1

PLATE

CLAMP COVER

6шт.

3

700-105

HYD CONNECTOR,1-7/16" - 12 Male ORFS x M33 x 2 Male ORB

2шт.

4

47728683

TUBE

LEFT ACCESSORY

1шт.

5

47728684

TUBE

RIGHT ACCESSORY

1шт.

6

48067064

ACCESSORY ADAPTER

TUBE

2шт.

7

238-6021

O-RING,15/16 X 1 - 1/16, Cl 6

4шт.

8

373040A2

BRACKET

HOSE CLAMP

1шт.

9

372453A1

BLOCK

TUBE MOUNTING

4шт.

10

701-914

PLUG,Hex, 1-3/16" - 12 ORFS

2шт.

11

48067083

ACCESSORY

HOSE

2шт.

12

827-10060

BOLT,Hex, M10 x 1.5 x 60mm, Cl 10.9

4шт.

13

827-10080

BOLT,Hex, M10 x 1.5 x 80mm, Cl 10.9

4шт.

14

827-10110

BOLT,Hex, M10 x 1.5 x 110mm, Cl 10.9

2шт.

15

895-11010

WASHER,11mm ID x 20mm OD x 2mm Thk

6шт.

16

832-10410

NUT,M10 x 1.5, Cl 8

4шт.

17

627-10025

BOLT,Hex, M10 x 1.5 x 25mm, Cl 10.9, Full Thd

2шт.

18

637-64296

O-RING,2.9mm Thk x 29.6mm ID, Cl 6, 90 Duro

1шт.

19

238-6021

O-RING,15/16 X 1 - 1/16, Cl 6

1шт.

Выбрано товаров: 19