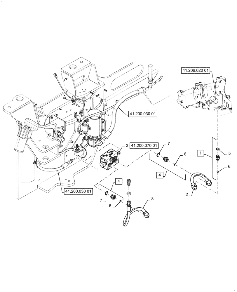
Запчасти Case 721G (41.200.030[02]) - VAR - 482913, 782442 - ELECTRIC SYSTEM CONTROL, STEERING - W/ JOYSTICK (41) - STEERING

Схема запчастей Case 721G - (41.200.030[02]) - VAR - 482913, 782442 - ELECTRIC SYSTEM CONTROL, STEERING - W/ JOYSTICK (41) - STEERING
41.206.020 01
8
4
1
7
4
6
5
7
2
6
3
6
41.200.030 01
41.200.030 01
41.200.070 01
FIT
1:1
100%

Артикул

Название

Примечание

Количество

1

86597760

HYD CONNECTOR,1"-14 ORFS x M2 x 2.0 ORB

Incl 5, 6

3шт.

2

87569920

HOSE ASSY.

Pressure, 850mm L

1шт.

3

47792683

MANIFOLD

Aux Steering

1шт.

4

87035471

HYD CONNECTOR,1"-14 ORFS x M33 x 1.5 ORB

Incl 6, 7

2шт.

5

86598103

O-RING,2.9mm Thk x 23.6mm ID, Cl 6, 90 Duro

3шт.

6

9992069

O-RING,0.07" Thk x 0.614" ID, -16, Cl 6, 90 Duro

5шт.

7

637-64296

O-RING,2.9mm Thk x 29.6mm ID, Cl 6, 90 Duro

2шт.

8

87521824

HOSE ASSY.

Steering Pressure, 1127mm L

1шт.

Выбрано товаров: 8