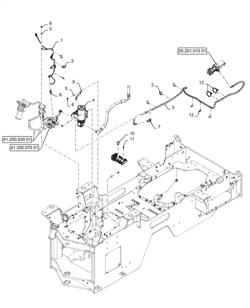
Запчасти Case 721G (55.047.010[01]) - VAR - 482913, 782442 - ELECTRIC SYSTEM CONTROL, STEERING - W/ JOYSTICK (55) - ELECTRICAL SYSTEMS

Схема запчастей Case 721G - (55.047.010[01]) - VAR - 482913, 782442 - ELECTRIC SYSTEM CONTROL, STEERING - W/ JOYSTICK (55) - ELECTRICAL SYSTEMS
55.201.010 01
2
11
7
6
8
5
6
12
5
13
9
4
1
2
3
10
41.200.030 01
41.200.070 01
FIT
1:1
100%

Артикул

Название

Примечание

Количество

1

47648580

WIRE HARNESS

Secondary Steering Module

1шт.

2

L11541

CABLE TIE,203.2mm L, Nylon

6шт.

3

47897640

CABLE

Aux Steering

1шт.

4

84419597

MOTOR-PUMP

Aux Steering

1шт.

5

L127554

WASHER,0.395" ID x 0.875" OD x 0.064" Thk

2шт.

6

253347A1

NUT,Hex, M10 x 1.5

2шт.

7

L126713

BOOT

1шт.

8

84409605

SENSOR

Steering Pressure

1шт.

9

84391247

NEG BATTERY CABLE

218mm L

1шт.

10

84368717

RELAY

Aux Steering

1шт.

11

84152583

FUSE,7.5A, Mini, Brown

Aux Steering

1шт.

12

515-23190

CLAMP,3/4", Insul, 3/8" Bolt

3шт.

13

L18331

CABLE TIE,375.9mm L, Nylon, Black

2шт.

Выбрано товаров: 13