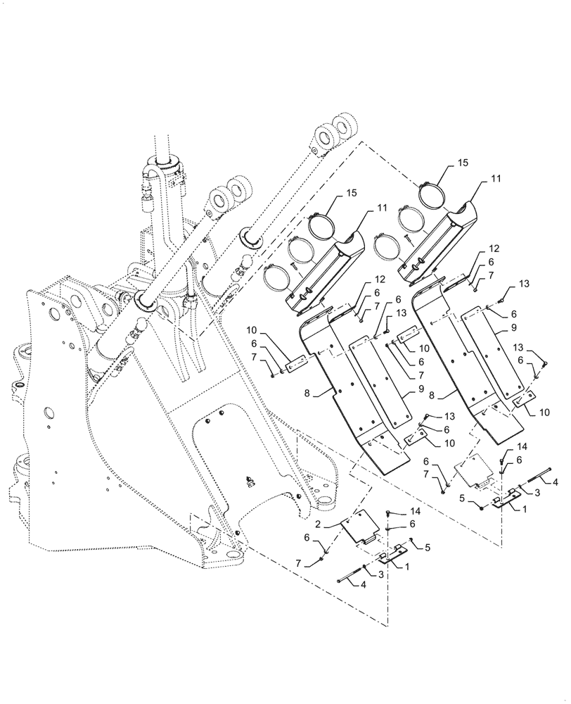
Запчасти Case 721G (90.119.010) - CYLINDER GUARD COVER (90) - PLATFORM, CAB, BODYWORK AND DECALS

Схема запчастей Case 721G - (90.119.010) - CYLINDER GUARD COVER (90) - PLATFORM, CAB, BODYWORK AND DECALS
11
6
3
6
7
6
8
13
5
6
4
10
4
5
10
7
10
14
15
6
6
7
6
6
11
6
6
3
1
13
8
1
7
14
15
2
12
13
6
9
10
13
7
9
12
6
7
FIT
1:1
100%

Артикул

Название

Примечание

Количество

1

47494930

HINGE

Mount

2шт.

2

47488881

HINGE

Ejector

2шт.

3

9618968

WASHER,0.41" ID x 0.78" OD x 0.1" Thk

2шт.

4

280284

BOLT,Hex, 3/8" - 16 x 7", Gr 5

2шт.

5

86521606

FLANGE NUT,Hex, 3/8" - 16, Gr 5

2шт.

6

895-15010

WASHER,11mm ID x 24mm OD x 2mm Thk

44шт.

7

832-10410

NUT,M10 x 1.5, Cl 8

22шт.

8

47508291

SHEET,225mm W x 1095mm L

Rubber Flap

2шт.

9

47407549

PLATE

Support

2шт.

10

47407553

PLATE

Flap Support

8шт.

11

47382602

GUARD

Cylinder Guard, V-Shape

2шт.

12

47407526

PLATE

Ejector Fastner

2шт.

13

627-10035

BOLT,Hex, M10 x 1.5 x 35mm, Cl 10.9, Full Thd

16шт.

14

9846677

BOLT,M10 x 1.5 x 25mm, Cl 10.9

4шт.

15

214-21160

CLAMP,#160, 5.87"-6.18", T-Bolt

6шт.

Выбрано товаров: 15