Запчасти Case 721G (10.254.010) - EXHAUST SYSTEM, MUFFLER (10) - ENGINE

Схема запчастей Case 721G - (10.254.010) - EXHAUST SYSTEM, MUFFLER (10) - ENGINE
20
6
13
14
14
4
1
13
24
16
16
10
19
14
22
23
9
4
7
17
2
13
12
13
13
5
3
18
18
16
14
11
8
15
17
5
13
21
9
FIT
1:1
100%

Артикул

Название

Примечание

Количество

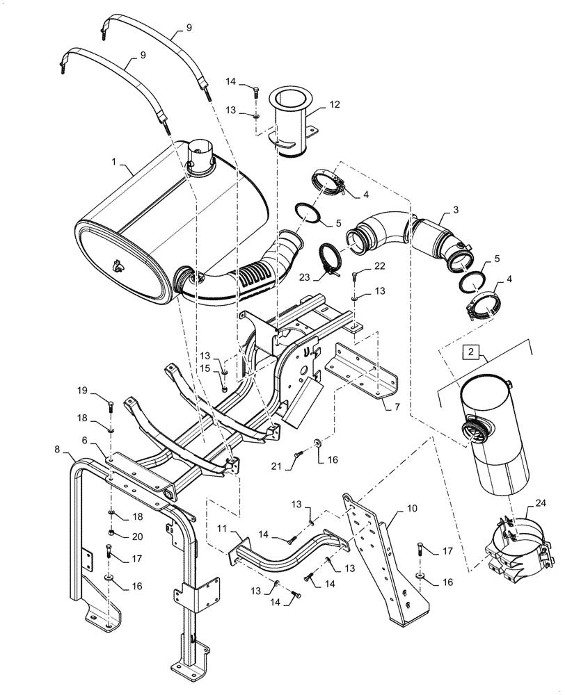
1

47611810

MUFFLER

SCR Cluster

1шт.

2

47532771

MUFFLER

DOC Cluster, Incl 24

1шт.

3

47830226

PIPE

Exhaust

1шт.

4

47390967

CLAMP,123.5mm ID

4", Marmon

2шт.

5

84349222

GASKET,1.3mm Thk

4", Exhaust

2шт.

6

47614729

FRAME

Muffler

1шт.

7

84601147

SUPPORT

Muffler

1шт.

8

47794446

SUPPORT

Muffler

1шт.

9

47368370

SECURING STRAP

Muffler

2шт.

10

47647166

BRACKET

DOC Support

1шт.

11

47462092

SUPPORT

SCR - DOC

1шт.

12

47827705

PIPE

Air Intake, Under Hood

1шт.

13

896-15010

WASHER,11mm ID x 24mm OD x 3mm Thk

18шт.

14

627-10035

BOLT,Hex, M10 x 1.5 x 35mm, Cl 10.9, Full Thd

11шт.

15

832-10410

NUT,M10 x 1.5, Cl 8

3шт.

16

86592701

WASHER,13mm ID x 35mm OD x 5mm Thk

10шт.

17

827-12050

BOLT,Hex, M12 x 1.75 x 50mm, Cl 10.9

6шт.

18

896-11012

WASHER,13.5mm ID x 24mm OD x 3mm Thk

6шт.

19

627-12040

BOLT,Hex, M12 x 1.75 x 40mm, Cl 10.9, Full Thd

3шт.

20

832-10412

NUT,M12 x 1.75, Cl 8

3шт.

21

827-12045

BOLT,Hex, M12 x 1.75 x 45mm, Cl 10.9, Full Thd

4шт.

22

627-10030

BOLT,Hex, M10 x 1.5 x 30mm, Cl 10.9, Full Thd

4шт.

23

47423211

CLAMP,118mm - 124mm

Exhaust Flap

1шт.

24

47615303

BRACKET

Doc Mount

1шт.

Выбрано товаров: 24