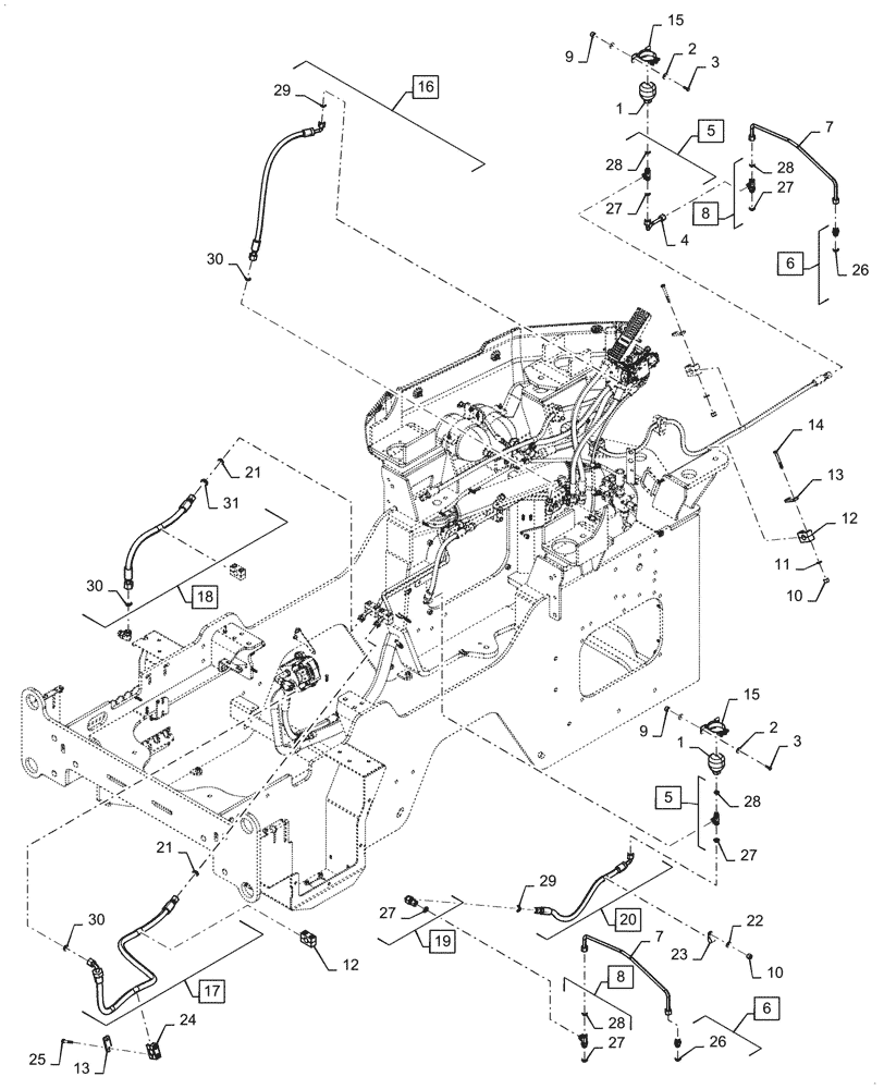
Запчасти Case 821G (33.202.020[02]) - MAIN HYDRAULIC BRAKE (33) - BRAKES & CONTROLS

Схема запчастей Case 821G - (33.202.020[02]) - MAIN HYDRAULIC BRAKE (33) - BRAKES & CONTROLS
24
17
3
31
30
25
8
28
5
1
13
27
19
27
2
18
5
21
21
3
26
10
22
27
30
28
9
23
12
1
29
15
30
26
2
29
15
7
10
28
13
4
20
6
8
27
16
11
14
6
27
12
28
9
7
FIT
1:1
100%

Артикул

Название

Примечание

Количество

1

84393492

ACCUMULATOR

Brake

2шт.

2

895-15008

WASHER,9mm ID x 20mm OD x 1.6mm Thk

8шт.

3

627-8025

BOLT,Hex, M8 x 1.25 x 25mm, Cl 10.9, Full Thd

4шт.

4

84277918

HYD TUBE

Brake Supply, Front

1шт.

4

84279578

HYD TUBE

Brake Supply, Front

1шт.

5

84218880

RUN TEE,13/16" - 16 ORFS x 13/16" - 16 ORFS x 9/16" - 18 ORB

Incl, 27, 28

1шт.

6

700-102

HYD CONNECTOR,13/16" - 16 Male ORFS x M18 x 1.5 Male ORB

Incl, 26

2шт.

7

84234399

HYD TUBE

Rear Axle

1шт.

8

700-412

TEE,13/16" - 16 Male ORFS x 13/16" - 16 Male ORFS x M18 x 1.5 Male ORB

Incl, 27, 28

2шт.

9

832-10408

NUT,M8 x 1.25, Cl 8.8

4шт.

10

832-10410

NUT,M10 x 1.5, Cl 8

5шт.

11

895-11010

WASHER,11mm ID x 20mm OD x 2mm Thk

4шт.

12

367489A1

BLOCK

Tube Mounting

2шт.

13

367658A1

PLATE

3шт.

14

827-10080

BOLT,Hex, M10 x 1.5 x 80mm, Cl 10.9

4шт.

15

84272713

CLAMP,73mm - 79mm

2шт.

16

48026572

HOSE

Rear Axle Brake, 855mm L, Incl 29, 30

1шт.

17

48034572

HOSE

Brake Pump Pressure, 1595mm L, Incl 30

1шт.

18

84382794

HOSE ASSY.

Fan Control, 682mm L, Incl, 30, 31

1шт.

19

701-320

ELBOW,90 Degree Elbow, 13/16" - 16 Male ORFS x 13/16" - 16 Female ORFS

Incl, 27

1шт.

20

84272714

HOSE ASSY.

Rear Axle Brake, Supply, 668mm L, Incl, 29

1шт.

21

238-6016

O-RING,0.07" Thk x 0.614" ID, -16, Cl 6, 90 Duro

2шт.

22

895-15010

WASHER,11mm ID x 24mm OD x 2mm Thk

1шт.

23

515-24238

CLAMP,15/16", Insul, 7/16" Bolt

1шт.

24

372453A1

BLOCK

Tube Mounting

1шт.

25

827-10060

BOLT,Hex, M10 x 1.5 x 60mm, Cl 10.9

2шт.

26

238-6012

O-RING,0.07" Thk x 0.364" ID, -12, Cl 6, 90 Duro

1шт.

27

238-6014

O-RING,0.07" Thk x 0.489" ID, -14, Cl 6, 90 Duro

2шт.

28

237-6006

O-RING,0.078" Thk x 0.468" ID, -906, Cl 6, 90 Duro

1шт.

29

9992298

O-RING,0.07" Thk x 0.489" ID, -14, Cl 6, 90 Duro

1шт.

30

9992069

O-RING,0.07" Thk x 0.614" ID, -16, Cl 6, 90 Duro

1шт.

31

9991976

O-RING,0.07" Thk x 0.739" ID, -18, Cl 6, 90 Duro

1шт.

Выбрано товаров: 32