Запчасти Case 821G (35.300.040[02]) - HYDRAULIC RESERVOIR FILTER (35) - HYDRAULIC SYSTEMS

Схема запчастей Case 821G - (35.300.040[02]) - HYDRAULIC RESERVOIR FILTER (35) - HYDRAULIC SYSTEMS
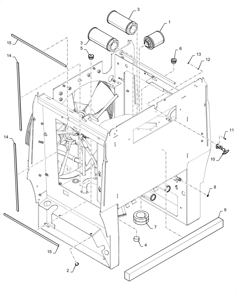
12
2
6
10
14
15
11
3
13
3
9
15
7
4
1
5
14
8
FIT
1:1
100%

Артикул

Название

Примечание

Количество

1

47575681

FILTER STRAINER

1шт.

2

238-6021

O-RING,15/16 X 1 - 1/16, Cl 6

1шт.

3

L128515

STRAINER ELEMENT

2шт.

4

217-445

PLUG,Hex Soc, 1-1/4" - 11-1/2 NPTF

1шт.

5

198823C1

GROMMET,9.53mm ID x 41.1mm OD x 26.9mm Thk

1шт.

6

198825C1

GROMMET,15.88mm ID x 41.1mm OD x 26.9mm Thk

1шт.

7

8500167

SEAL

Charge Air Tubes

1шт.

8

238-6014

O-RING,0.07" Thk x 0.489" ID, -14, Cl 6, 90 Duro

1шт.

9

47684473

SEAL

Cooling Frame

1шт.

10

384774A1

LATCH

Flexible Draw

1шт.

11

864-5016

HEX SOC SCREW,M5 x 16mm, Cl 8.8

2шт.

12

895-11005

WASHER,5.5mm ID x 10mm OD x 1mm Thk

2шт.

13

824-1405

NUT,M5, Cl 5

2шт.

14

84337096

SEALING STRIP

Side

2шт.

15

84337097

SEALING STRIP

Header

2шт.

Выбрано товаров: 15