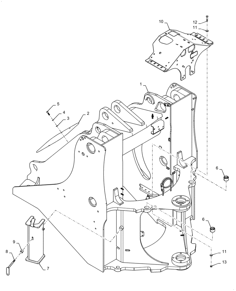
Запчасти Case 821G (39.100.020) - FRONT CHASSIS, Z-BAR / XR (39) - FRAMES AND BALLASTING

Схема запчастей Case 821G - (39.100.020) - FRONT CHASSIS, Z-BAR / XR (39) - FRAMES AND BALLASTING
3
12
10
7
8
9
6
4
1
13
2
11
11
6
5
FIT
1:1
100%

Артикул

Название

Примечание

Количество

1

47902010

FRAME

Front Chassis

1шт.

2

47404545

COVER

Valve

1шт.

3

895-11010

WASHER,11mm ID x 20mm OD x 2mm Thk

3шт.

4

892-11010

LOCK WASHER,M10

3шт.

5

827-10040

BOLT,Hex, M10 x 1.5 x 40mm, Cl 10.9, Full Thd

3шт.

6

8500173

BUSHING,40.22mm ID x 49.87mm OD x 32mm L

2шт.

7

84424925

CHANNEL

W/ Linkage Support

1шт.

8

84304606

HANDLE

W/ Linkage Channel

1шт.

9

8500877

SPACER,12.8mm ID x 25.4mm OD x 23mm L

1шт.

10

47683370

BRACKET

Valve Mount

1шт.

11

896-15012

WASHER,13.5mm ID x 28mm OD x 4mm Thk

16шт.

12

827-12060

BOLT,Hex, M12 x 1.75 x 60mm, Cl 10.9

8шт.

13

829-1412

NUT,M12, Cl 10.9

8шт.

Выбрано товаров: 13