Качественные детали и логистика
Оригинальные и аналоговые запчасти с доставкой по России, Казахстану и Беларуси
©2022 PartSell ООО "Система" ИНН 2463123282 ОГРН 1212400004838
Центральный офис: г. Красноярск, Академика Киренского, д.87, пом.4
Телефон: 8 (800) 777-65-74 Email: zakaz@partsell.ru
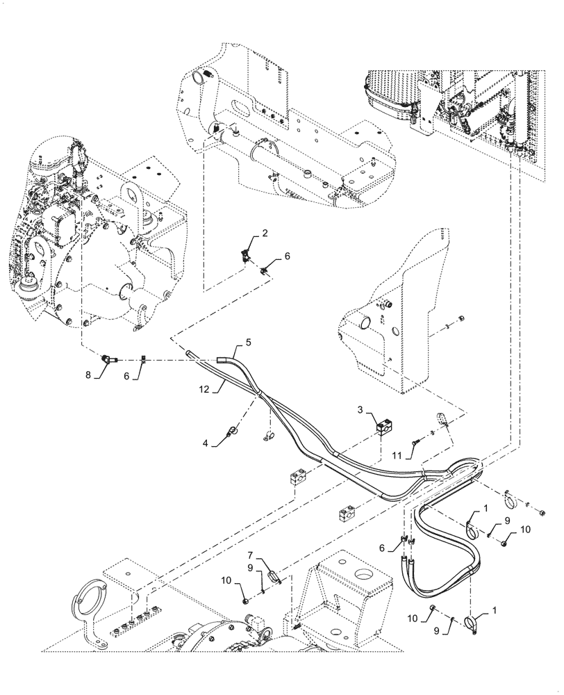
(50.100.070) - CAB HEATER HOSE
№
Артикул
Название
Примечание
Количество
1
515-23571
CLAMP,2 1/4", Insul, 3/8" Bolt
3шт.
2
301803R1
SHUT-OFF VALVE
1шт.
3
367489A1
BLOCK
4
515-24238
CLAMP,15/16", Insul, 7/16" Bolt
2шт.
5
84405206
A/C HOSE
Heater Return
6
1954736C1
HOSE CLAMP,#24
4шт.
7
31-1081
CLAMP
8
217-425
45 ELBOW,5/8" Hose Barb x 3/4" NPTF
9
895-11010
WASHER,11mm ID x 20mm OD x 2mm Thk
6шт.
10
832-10410
NUT,M10 x 1.5, Cl 8
5шт.
11
627-10030
BOLT,Hex, M10 x 1.5 x 30mm, Cl 10.9, Full Thd
12
84405194
Heater Supply
Выбрано товаров: 0