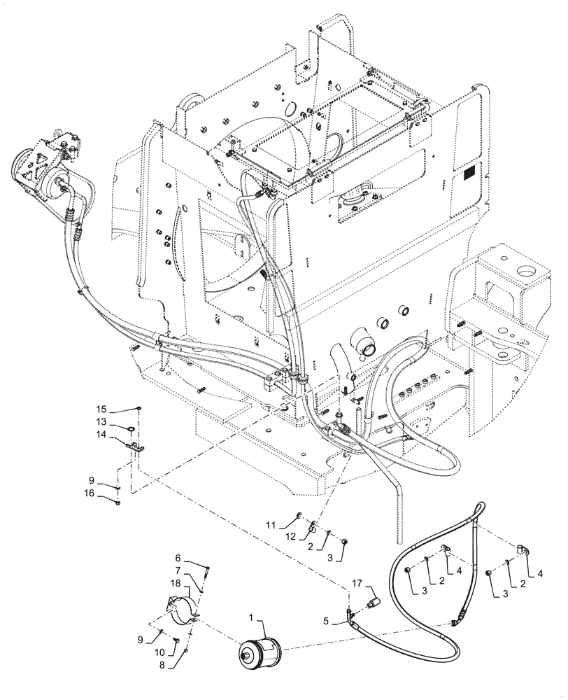
Запчасти Case 821G (50.200.060) - VAR - 782440 - AIR CONDITIONING, RECEIVER-DRYER (50) - CAB CLIMATE CONTROL

Схема запчастей Case 821G - (50.200.060) - VAR - 782440 - AIR CONDITIONING, RECEIVER-DRYER (50) - CAB CLIMATE CONTROL
18
3
17
10
14
15
8
11
1
7
13
2
2
4
3
4
9
6
2
16
9
12
3
5
FIT
1:1
100%

Артикул

Название

Примечание

Количество

1

47821526

RECEIVER-DRYER

1шт.

2

895-18010

WASHER,10.5mm ID x 18mm OD x 1.6mm Thk

3шт.

3

832-10410

NUT,M10 x 1.5, Cl 8

3шт.

4

515-25159

CLAMP,5/8", Insul, 1/2" Bolt

2шт.

5

47724182

HOSE

Dryer to Cab

1шт.

6

827-6040

BOLT,Hex, M6 x 40mm, Cl 10.9

2шт.

7

895-11006

WASHER,6.6mm ID x 12mm OD x 1.6mm Thk

4шт.

8

832-10406

NUT,M6 x 1, Cl 8

2шт.

9

895-11008

WASHER,9mm ID x 16mm OD x 1.6mm Thk

3шт.

10

627-8016

BOLT,Hex, M8 x 1.25 x 16mm, Cl 10.9, Full Thd

2шт.

11

895-11012

WASHER,13.5mm ID x 24mm OD x 2.5mm Thk

1шт.

12

515-23159

CLAMP,5/8", Insul, 3/8" Bolt

1шт.

13

47624208

SEALING WASHER

1шт.

14

47689567

PLATE

1шт.

15

47624200

WASHER

1шт.

16

832-10408

NUT,M8 x 1.25, Cl 8.8

1шт.

17

284273A1

SWITCH

High Pressure A/C

1шт.

18

433723A1

CLAMP

1шт.

Выбрано товаров: 18