Качественные детали и логистика
Оригинальные и аналоговые запчасти с доставкой по России, Казахстану и Беларуси
©2022 PartSell ООО "Система" ИНН 2463123282 ОГРН 1212400004838
Центральный офис: г. Красноярск, Академика Киренского, д.87, пом.4
Телефон: 8 (800) 777-65-74 Email: zakaz@partsell.ru
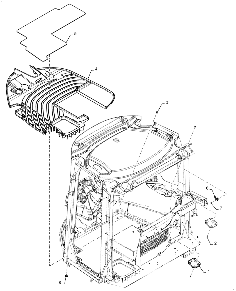
(90.151.050) - VAR - 734065 - CAB COAT HOOK AND FLOOR MAT
№
Артикул
Название
Примечание
Количество
1
187281A1
COVER
Grill Remote
2шт.
2
761-17325
SELF-TAP SCREW,Pan Hd, M4.2 x 25
8шт.
3
302862A1
SPRING NUT,4.2 Thread
4
47619845
FLOOR MAT
1шт.
5
47690857
PAD
Floor Protection
6
76067422
COAT HOOK
7
840-1512
SCREW,Pan, M5 x 12mm, Gr 4.8
8
47381606
PLUG
4шт.
Выбрано товаров: 0