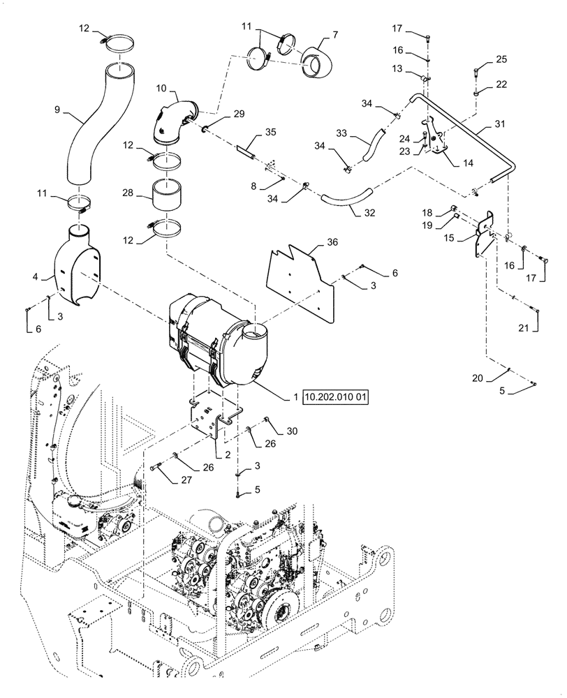
Запчасти Case 821G (10.202.010) - AIR CLEANER INSTALLATION (10) - ENGINE

Схема запчастей Case 821G - (10.202.010) - AIR CLEANER INSTALLATION (10) - ENGINE
10.202.010 01
7
35
12
6
17
34
34
16
6
11
17
21
25
12
5
28
29
30
33
5
20
9
3
26
11
2
8
22
18
31
16
13
14
34
15
23
32
3
10
19
24
26
12
1
27
36
4
3
FIT
1:1
100%

Артикул

Название

Примечание

Количество

1

47439676

AIR CLEANER

Assembly

1шт.

2

47656859

BRACKET

Air Cleaner

1шт.

3

896-15008

WASHER,9mm ID x 21mm OD x 2.5mm Thk

12шт.

4

47438864

MANIFOLD

Air Cleaner

1шт.

5

627-8025

BOLT,Hex, M8 x 1.25 x 25mm, Cl 10.9, Full Thd

6шт.

6

627-8020

BOLT,Hex, M8 x 1.25 x 20mm, Cl 10.9, Full Thd

8шт.

7

84190200

90 ELBOW

4"

1шт.

8

87698753

FLANGE BOLT,M6 x 12mm, Cl 10.9, Full Thd

2шт.

9

47441490

AIR INTAKE TUBE

To Air Cleaner

1шт.

10

47446422

TUBE

Air Cleaner to Compressor

1шт.

11

L127771

CLAMP,107.95mm - 130.18mm

Constant Torque

3шт.

12

L129159

CLAMP,5-1/4" - 6-1/8", Worm Gear

Constant Torque

3шт.

13

515-24190

CLAMP,3/4", Insul, 7/16" Bolt

3шт.

14

47489250

BRACKET

CCV Front

1шт.

15

47536811

BRACKET

CCV Rear

1шт.

16

895-18010

WASHER,10.5mm ID x 18mm OD x 1.6mm Thk

6шт.

17

627-10030

BOLT,Hex, M10 x 1.5 x 30mm, Cl 10.9, Full Thd

3шт.

18

832-10410

NUT,M10 x 1.5, Cl 8

3шт.

19

87748964

SPACER

15.875mm x 15.875mm OD x 8.5mm ID

1шт.

20

896-11008

WASHER,9mm ID x 17mm OD x 2mm Thk

3шт.

21

827-8050

BOLT,Hex, M8 x 1.25 x 50mm, Cl 10.9

1шт.

22

D44696

BUSHING

21.34mm OD

1шт.

23

896-11012

WASHER,13.5mm ID x 24mm OD x 3mm Thk

1шт.

24

627-12030

BOLT,Hex, M12 x 1.75 x 30mm, Cl 10.9, Full Thd

1шт.

25

627-12040

BOLT,Hex, M12 x 1.75 x 40mm, Cl 10.9, Full Thd

1шт.

26

895-15012

WASHER,M12 x 28 x 2.5

8шт.

27

827-12055

BOLT,Hex, M12 x 1.75 x 55mm, Cl 10.9

4шт.

28

47600649

HOSE

Air Intake

1шт.

29

238-6214

O-RING,0.139" Thk x 0.984" ID, -214, Cl 6, 90 Duro

1шт.

30

832-10412

NUT,M12 x 1.75, Cl 8

4шт.

31

84598143

TUBE

Crankcase Ventilation

1шт.

32

84599876

HOSE

Crankcase Vent, Rear

1шт.

33

84374323

HOSE,19.05mm ID x 240mm L, SAE 100R4

Crankcase Vent, Front

1шт.

34

214-1416

HOSE CLAMP,#16, 0.81" - 1.5", Type F Worm

4шт.

35

47454749

TUBE

CCV Return

1шт.

36

47528650

HEAT SHIELD

Air Cleaner / Engine

1шт.

Выбрано товаров: 36