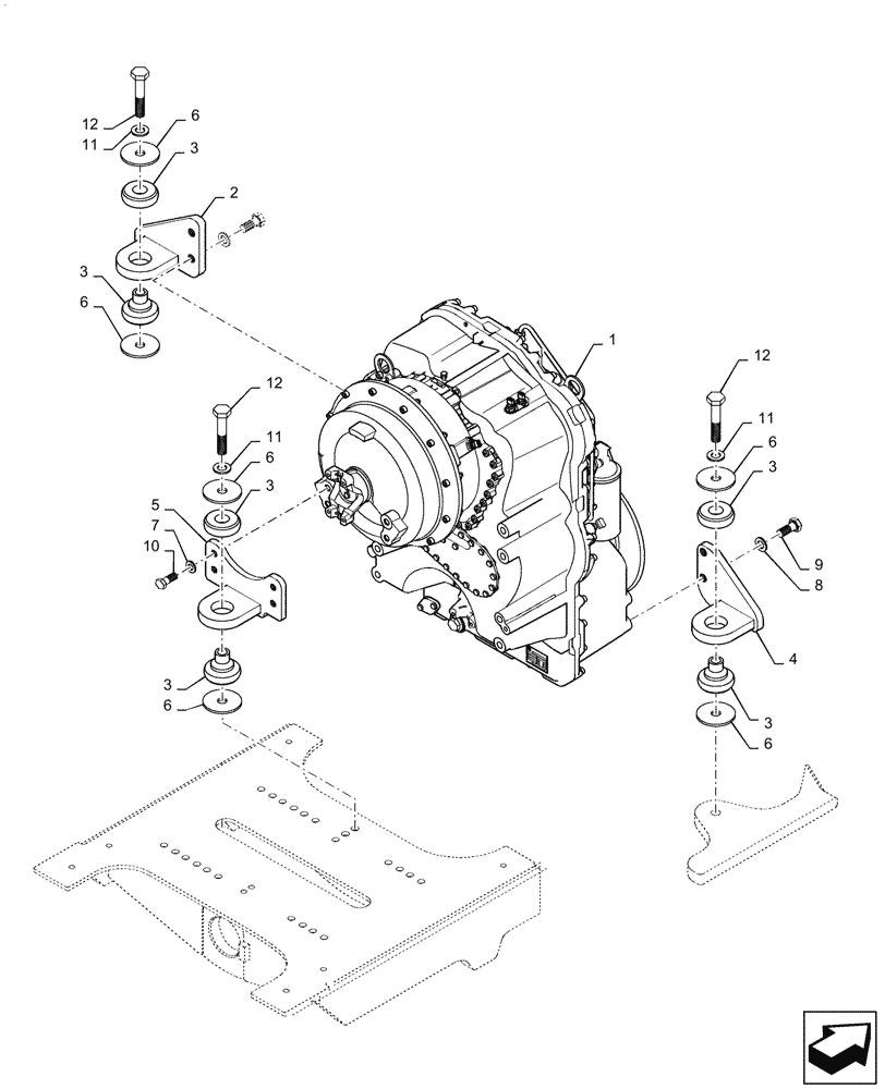
Запчасти Case 821G (21.113.010) - VAR - 424225 - TRANSMISSION INSTALLATION, 5 SPEED (21) - TRANSMISSION

Схема запчастей Case 821G - (21.113.010) - VAR - 424225 - TRANSMISSION INSTALLATION, 5 SPEED (21) - TRANSMISSION
6
3
11
8
3
6
12
3
4
11
12
6
10
2
3
3
6
3
5
1
6
11
7
9
12
6
FIT
1:1
100%

Артикул

Название

Примечание

Количество

1

84227493

TRANSMISSION

Assembly

1шт.

2

8500093

BRACKET

Left Hand

1шт.

3

361187A1

ISOLATOR

Transmission Mount

3шт.

4

8500094

BRACKET

Right Hand

1шт.

5

84227480

BRACKET, SUPPORTING

Top

1шт.

6

379611A1

WASHER

Transmission Mount

6шт.

7

896-11016

WASHER,17.5mm ID x 30mm OD x 4mm Thk

4шт.

8

896-11020

WASHER,22mm ID x 37mm OD x 4mm Thk

4шт.

9

627-20050

BOLT,Hex, M20 x 2.5 x 50mm, Cl 10.9, Full Thd

4шт.

10

627-16045

BOLT,Hex, M16 x 2 x 45mm, Cl 10.9, Full Thd

4шт.

11

896-11022

WASHER,24mm ID x 44mm OD x 4mm Thk

3шт.

12

827-22120

BOLT,Hex, M22 x 2.5 x 120mm, Cl 10.9

3шт.

Выбрано товаров: 12