Запчасти Case 821G (21.140.010) - DRIVEN SHAFT INSTALLATION (21) - TRANSMISSION

Схема запчастей Case 821G - (21.140.010) - DRIVEN SHAFT INSTALLATION (21) - TRANSMISSION
21.140.ae 02
4
5
10
2
3
5
8
5
5
2
9
11
12
2
6
7
2
1
21.140.ae 02
21.140.ae 02
FIT
1:1
100%

Артикул

Название

Примечание

Количество

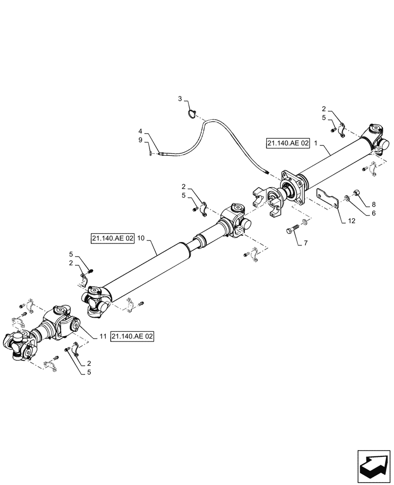
1

84234395

DRIVE SHAFT

Front

1шт.

2

87439403

STRAP

10шт.

3

L11541

CABLE TIE,203.2mm L, Nylon

1шт.

4

313683A1

FLEXIBLE HOSE

Grease

1шт.

5

19-6247

BOLT,3/8" - 24 x 0.75", Grade 8

20шт.

6

896-11012

WASHER,13.5mm ID x 24mm OD x 3mm Thk

8шт.

7

827-12060

BOLT,Hex, M12 x 1.75 x 60mm, Cl 10.9

4шт.

8

832-10412

NUT,M12 x 1.75, Cl 8

4шт.

9

F53473

LOCK NUT,1/8-27 NPSM

1шт.

10

84252889

DRIVE SHAFT

Center

1шт.

11

84252886

DRIVE SHAFT

Rear

1шт.

12

87567190

PLATE

Carrier Bearing

1шт.

Выбрано товаров: 12