Запчасти Case 921G (35.357.070[01]) - VAR - 734055 - CONTROL VALVE, MOUNTING - 4 SPOOL, Z-BAR / XR / LR (35) - HYDRAULIC SYSTEMS

Схема запчастей Case 921G - (35.357.070[01]) - VAR - 734055 - CONTROL VALVE, MOUNTING - 4 SPOOL, Z-BAR / XR / LR (35) - HYDRAULIC SYSTEMS
35.359.050 01
5
6
4
6
3
5
2
2
1
FIT
1:1
100%

Артикул

Название

Примечание

Количество

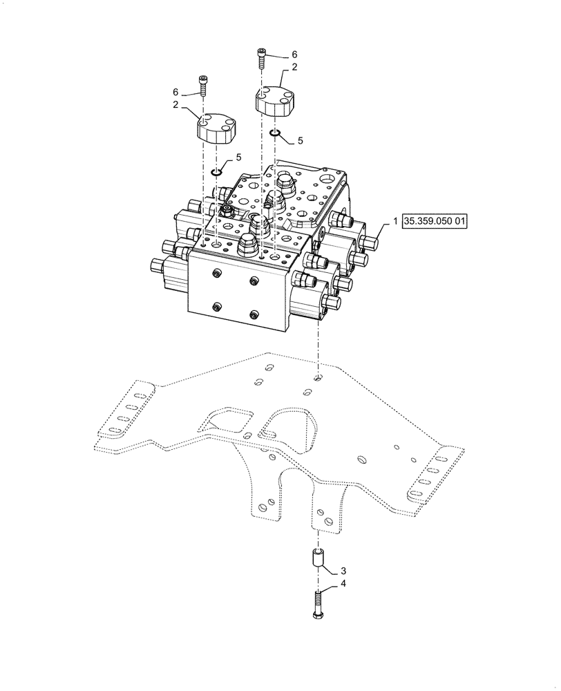
1

84240722

VALVE

Four Spool, Z-BAR / XR / LR

1шт.

2

84312235

BLOCK

2шт.

3

A27328

SPACER

3шт.

4

827-12055

BOLT,Hex, M12 x 1.75 x 55mm, Cl 10.9

3шт.

5

238-6214

O-RING,0.139" Thk x 0.984" ID, -214, Cl 6, 90 Duro

2шт.

6

864-10035

HEX SOC SCREW,M10 x 35mm, Cl 8.8

8шт.

Выбрано товаров: 6