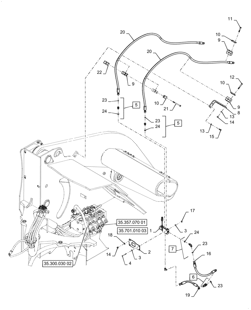
Запчасти Case 921G (35.701.010[01]) - VAR - 424250, 424999 - COUPLER SOLENOID LINE INSTALLATION (35) - HYDRAULIC SYSTEMS

Схема запчастей Case 921G - (35.701.010[01]) - VAR - 424250, 424999 - COUPLER SOLENOID LINE INSTALLATION (35) - HYDRAULIC SYSTEMS
35.701.010 03
13
22
18
5
23
24
1
15
3
4
8
16
14
2
20
11
24
21
9
10
10
5
12
6
9
23
3
19
20
10
14
13
9
23
23
17
24
7
35.357.070 01
35.300.030 02
FIT
1:1
100%

Артикул

Название

Примечание

Количество

1

84139102

SOLENOID VALVE

Coupler

1шт.

2

84257992

BRACKET, SUPPORTING

1шт.

3

895-25006

WASHER,6.6mm ID x 18mm OD x 1.6mm Thk

4шт.

4

827-6050

BOLT,Hex, M6 x 50mm, Cl 10.9

2шт.

5

700-101

HYD CONNECTOR,11/16" - 16 Male ORFS x M14 x 1.5 Male ORB

Incl 23, 24

2шт.

6

701-422

TEE,11/16" - 16 Male ORFS x 11/16" - 16 Male ORFS x 11/16" - 16 Female ORFS

Incl 23

1шт.

7

700-304

ELBOW,90 Degree Elbow, 11/16" - 16 Male ORFS x M14 x 1.5 Male ORB

Incl 23, 24

1шт.

8

373040A2

BRACKET

Hose Clamp

1шт.

9

379374A1

BLOCK

Tube Mounting

6шт.

10

367658A1

PLATE

Clamp Cover

5шт.

11

827-10060

BOLT,Hex, M10 x 1.5 x 60mm, Cl 10.9

4шт.

12

827-10080

BOLT,Hex, M10 x 1.5 x 80mm, Cl 10.9

4шт.

13

895-11010

WASHER,11mm ID x 20mm OD x 2mm Thk

6шт.

14

832-10410

NUT,M10 x 1.5, Cl 8

6шт.

15

627-10025

BOLT,Hex, M10 x 1.5 x 25mm, Cl 10.9, Full Thd

2шт.

16

84426367

HOSE ASSY.

Coupler Pressure

1шт.

17

832-10406

NUT,M6 x 1, Cl 8

2шт.

18

895-15010

WASHER,11mm ID x 24mm OD x 2mm Thk

2шт.

19

84240228

HYDRAULIC HOSE

Coupler Tank

1шт.

20

84257993

HOSE ASSY.

Coupler

1шт.

21

827-10130

BOLT,Hex, M10 x 1.5 x 130mm, Cl 10.9

2шт.

22

84257994

SPACER

Tube Mounting

1шт.

23

9993141

O-RING,0.07" Thk x 0.364" ID, -12, Cl 6, 90 Duro

4шт.

24

86639042

O-RING,2.2mm Thk x 11.3mm ID, Cl 6

3шт.

Выбрано товаров: 24