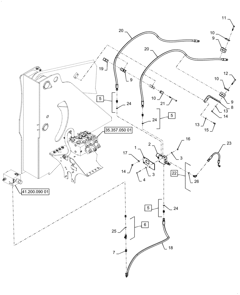
Запчасти Case 921G (35.701.010) - VAR - 424249, 424250, 424911, 424999, 734000, 734006, 734011 - COUPLER SOLENOID LINE INSTALLATION (35) - HYDRAULIC SYSTEMS

Схема запчастей Case 921G - (35.701.010) - VAR - 424249, 424250, 424911, 424999, 734000, 734006, 734011 - COUPLER SOLENOID LINE INSTALLATION (35) - HYDRAULIC SYSTEMS
35.357.050 01
18
16
26
9
1
4
5
2
24
12
10
13
14
9
3
5
20
6
7
3
24
22
5
9
19
10
23
24
14
17
11
20
8
13
15
21
10
25
41.200.090 01
FIT
1:1
100%

Артикул

Название

Примечание

Количество

1

47876907

BRACKET

Coupler Solenoid

1шт.

2

47955819

SOLENOID VALVE

1шт.

3

895-25006

WASHER,6.6mm ID x 18mm OD x 1.6mm Thk

4шт.

4

827-6070

BOLT,Hex, M6 x 70mm, Cl 10.9

2шт.

5

700-101

HYD CONNECTOR,11/16" - 16 Male ORFS x M14 x 1.5 Male ORB

Incl, 24

3шт.

6

701-421

TEE,9/16" - 18 Male ORFS x 9/16" - 18 Male ORFS x 9/16" - 18 Female ORFS

Incl, 25

1шт.

7

47713654

UNION

1шт.

8

373040A2

BRACKET

Hose Clamp

1шт.

9

379374A1

BLOCK

Tube Mounting

6шт.

10

367658A1

PLATE

Clamp Cover

5шт.

11

827-10060

BOLT,Hex, M10 x 1.5 x 60mm, Cl 10.9

4шт.

12

827-10080

BOLT,Hex, M10 x 1.5 x 80mm, Cl 10.9

4шт.

13

895-11010

WASHER,11mm ID x 20mm OD x 2mm Thk

6шт.

14

832-10410

NUT,M10 x 1.5, Cl 8

6шт.

15

627-10025

BOLT,Hex, M10 x 1.5 x 25mm, Cl 10.9, Full Thd

2шт.

16

832-10406

NUT,M6 x 1, Cl 8

2шт.

17

895-15010

WASHER,11mm ID x 24mm OD x 2mm Thk

2шт.

18

47995459

HOSE

Coupler Pressure

1шт.

19

84257994

SPACER

Tube Mounting

1шт.

20

84257993

HOSE ASSY.

Coupler

2шт.

21

827-10130

BOLT,Hex, M10 x 1.5 x 130mm, Cl 10.9

2шт.

22

700-304

ELBOW,90 Degree Elbow, 11/16" - 16 Male ORFS x M14 x 1.5 Male ORB

Incl, 26

1шт.

23

47995700

HOSE

Coupler Tank

1шт.

24

70924048

O-RING,0.07" Thk x 0.364" ID, -12, Cl 6, 90 Duro

2шт.

25

238-6011

O-RING,0.07" Thk x 0.301" ID, -11, Cl 6, 90 Duro

2шт.

26

70924048

O-RING,0.07" Thk x 0.364" ID, -12, Cl 6, 90 Duro

1шт.

Выбрано товаров: 26