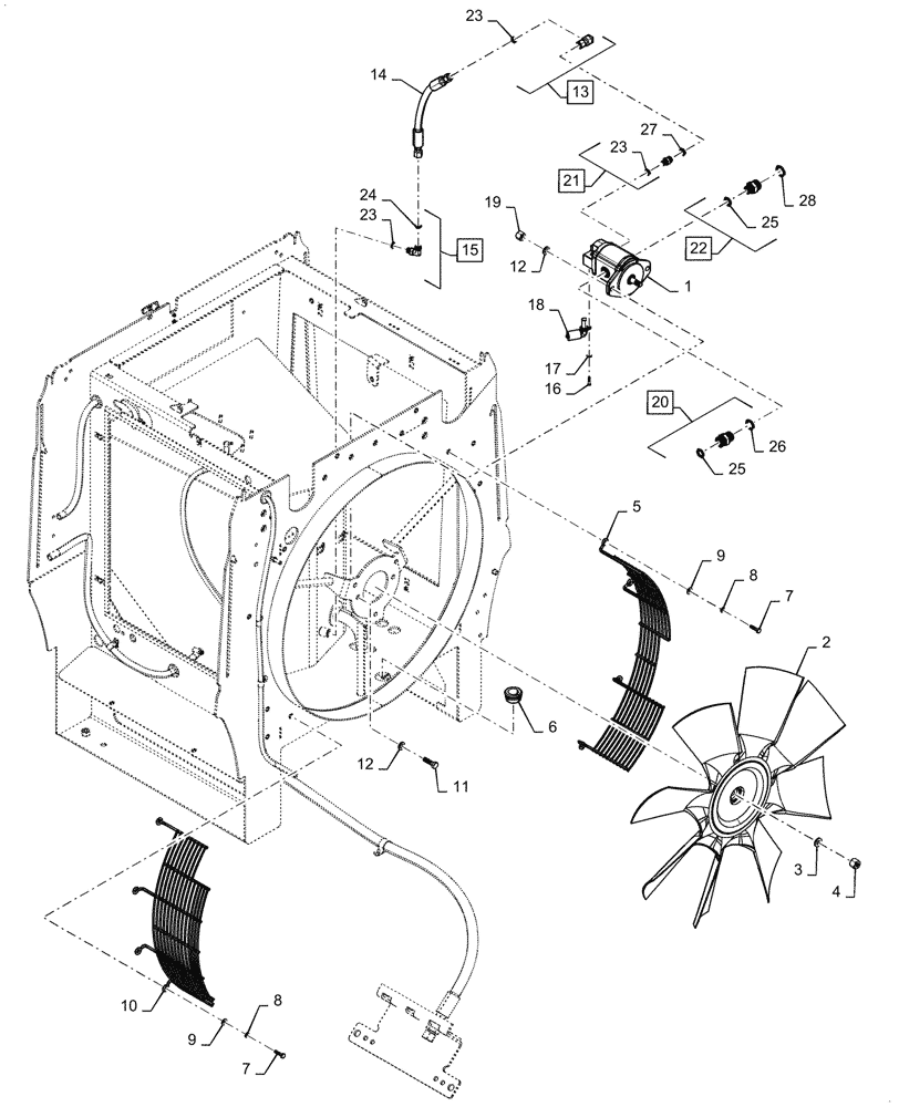
Запчасти Case 921G (35.752.020) - FAN DRIVE ASSEMBLY (35) - HYDRAULIC SYSTEMS

Схема запчастей Case 921G - (35.752.020) - FAN DRIVE ASSEMBLY (35) - HYDRAULIC SYSTEMS
25
17
1
7
28
12
25
8
11
7
15
23
18
20
2
23
22
23
5
21
16
14
8
6
19
9
10
12
24
13
3
9
4
27
26
FIT
1:1
100%

Артикул

Название

Примечание

Количество

1

47883010

MOTOR-PUMP

25cc

1шт.

2

87700025

FAN,8 Blades, 711.2mm OD

1шт.

3

496-21053

WASHER,17/32" x 1 1/16" x .134"

1шт.

4

232-2448

NUT,1/2"-20, GC

1шт.

5

84603263

GUARD

Tier 4B

1шт.

5

84247469

GUARD

Tier 2

1шт.

6

8500186

GROMMET

2шт.

7

627-8030

BOLT,Hex, M8 x 1.25 x 30mm, Cl 10.9, Full Thd

8шт.

8

892-11008

LOCK WASHER,8mm ID

8шт.

9

895-15008

WASHER,9mm ID x 20mm OD x 1.6mm Thk

8шт.

10

87347864

GUARD

1шт.

11

627-12040

BOLT,Hex, M12 x 1.75 x 40mm, Cl 10.9, Full Thd

2шт.

12

896-11012

WASHER,13.5mm ID x 24mm OD x 3mm Thk

4шт.

13

701-319

ELBOW,90° Elbow, 11/16" - 16 Male ORFS x 11/16" - 16 Female ORFS

Incl 23

1шт.

14

8500183

FLEXIBLE HOSE

Drain

1шт.

15

700-304

ELBOW,90 Degree Elbow, 11/16" - 16 Male ORFS x M14 x 1.5 Male ORB

Incl 23, 24

1шт.

16

814-5025

BOLT,Hex, M5 x 0.8 x 25mm, Cl 8.8

1шт.

17

895-11005

WASHER,5.5mm ID x 10mm OD x 1mm Thk

1шт.

18

47557243

SENSOR

Speed

1шт.

19

832-10412

NUT,M12 x 1.75, Cl 8

2шт.

20

700-104

HYD CONNECTOR,1-3/16" - 12 Male ORFS x M27 x 2 Male ORB

Incl 25, 26

1шт.

21

700-101

HYD CONNECTOR,11/16" - 16 Male ORFS x M14 x 1.5 Male ORB

Incl 23, 27

1шт.

22

700-107

HYD CONNECTOR,1-3/16" - 12 Male ORFS x M22 x 1.5 Male ORB

Incl 25, 28

1шт.

23

9993141

O-RING,0.07" Thk x 0.364" ID, -12, Cl 6, 90 Duro

1шт.

24

86598099

O-RING,2.2mm Thk x 11.3mm ID, Cl 6

1шт.

25

9991976

O-RING,0.07" Thk x 0.739" ID, -18, Cl 6, 90 Duro

1шт.

26

86598103

O-RING,2.9mm Thk x 23.6mm ID, Cl 6, 90 Duro

1шт.

27

86598099

O-RING,2.2mm Thk x 11.3mm ID, Cl 6

1шт.

28

86598102

O-RING,2.2mm Thk x 19.3mm ID, Cl 6, 90 Duro

1шт.

Выбрано товаров: 29