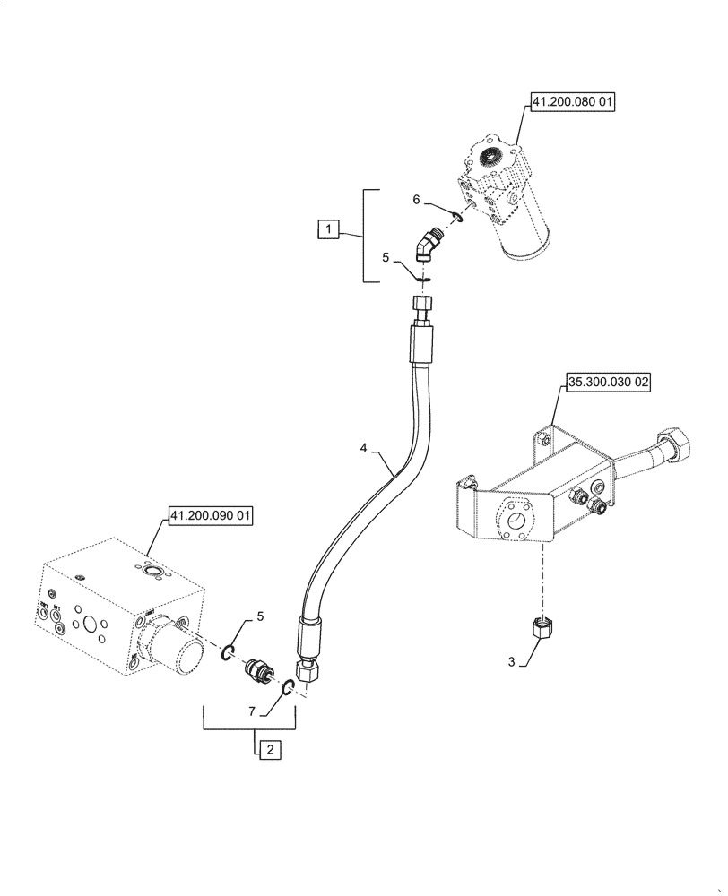
Запчасти Case 921G (41.200.010[01]) - VAR - 782441, 482930 - STANDARD STEERING HYDRAULIC LINES (41) - STEERING

Схема запчастей Case 921G - (41.200.010[01]) - VAR - 782441, 482930 - STANDARD STEERING HYDRAULIC LINES (41) - STEERING
41.200.090 01
1
5
3
2
5
7
6
4
41.200.080 01
35.300.030 02
FIT
1:1
100%

Артикул

Название

Примечание

Количество

1

700-316

ELBOW,45 Degree Elbow, 1" - 14 Male ORFS x M22 x 1.5 Male ORB

Incl 5, 6

1шт.

2

87534063

CHECK VALVE,1-3/16" - 12 ORFS x M27 x 2 ORB

Incl 5, 7

1шт.

3

701-906

CAP,1" - 14

1шт.

4

47737268

HOSE

Steering Supply

1шт.

5

9992069

O-RING,0.07" Thk x 0.614" ID, -16, Cl 6, 90 Duro

1шт.

6

86598102

O-RING,2.2mm Thk x 19.3mm ID, Cl 6, 90 Duro

1шт.

7

86598103

O-RING,2.9mm Thk x 23.6mm ID, Cl 6, 90 Duro

1шт.

Выбрано товаров: 7