Запчасти Case 921G (55.301.010[01]) - VAR - 782439 - ALTERNATOR , PULLEY, BELT, INSTALLATION, W/O A/C (55) - ELECTRICAL SYSTEMS

Схема запчастей Case 921G - (55.301.010[01]) - VAR - 782439 - ALTERNATOR , PULLEY, BELT, INSTALLATION, W/O A/C (55) - ELECTRICAL SYSTEMS
12
9
4
7
10
1
15
13
6
5
3
5
2
8
11
14
FIT
1:1
100%

Артикул

Название

Примечание

Количество

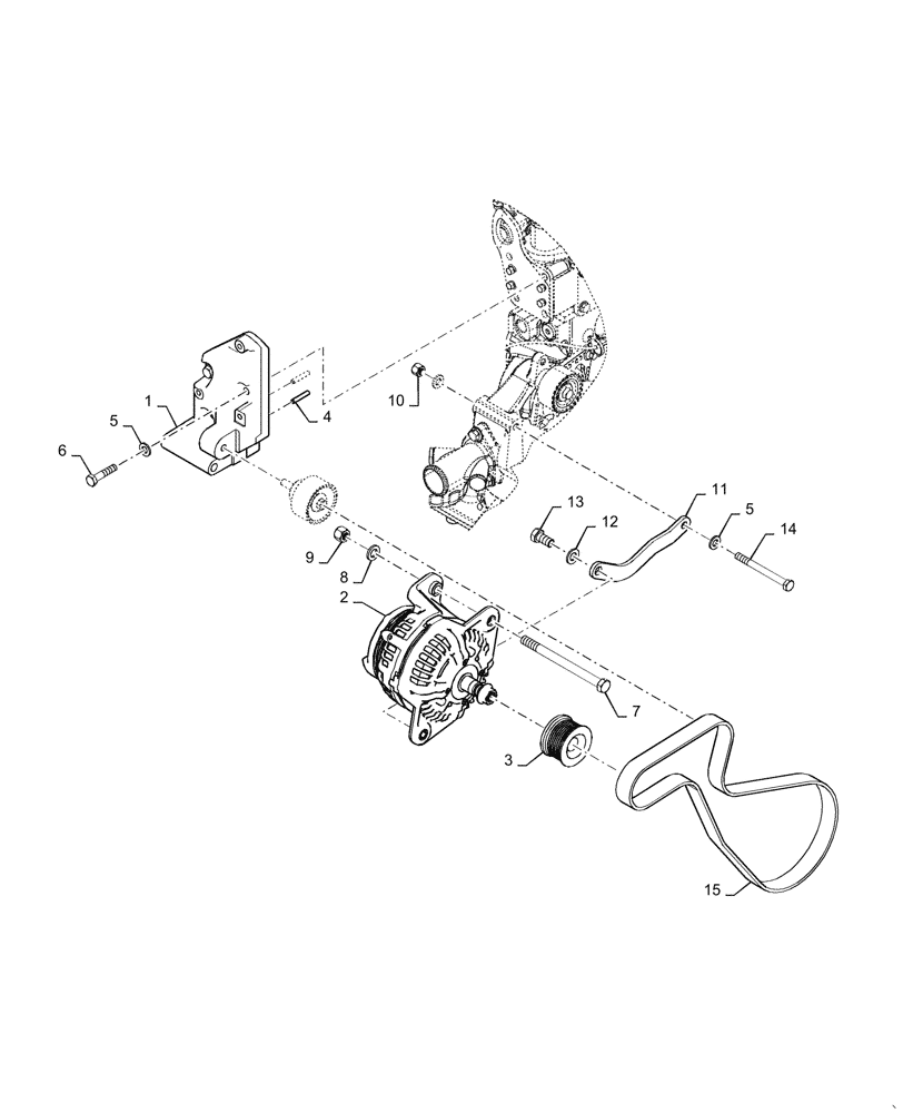
1

84394358

BRACKET

Alternator

1шт.

2

84383847

ALTERNATOR,24V, 120A

120 Amp

1шт.

2

84383847R

REMAN-ALTERNATOR

1шт.

2

84383847C

CORE-ALTERNATOR

1шт.

3

84409052

PULLEY,66mm OD

1шт.

4

837-6035

DOWEL,M6 x 35

2шт.

5

896-11010

WASHER,11mm ID x 21mm OD x 2.5mm Thk

5шт.

6

827-10045

BOLT,Hex, M10 x 1.5 x 45mm, Cl 10.9

3шт.

7

426-8104

BOLT,Hex, 1/2" - 13 x 6-1/2", Gr 8

1шт.

8

896-11012

WASHER,13.5mm ID x 24mm OD x 3mm Thk

1шт.

9

231-4248

NUT,1/2"-13, GB

1шт.

10

832-10410

NUT,M10 x 1.5, Cl 8

1шт.

11

47517050

BRACKET

Brace

1шт.

12

14496705

LOCK WASHER,13mm ID x 24mm OD x 2.5mm Thk

1шт.

13

9427615

BOLT,Hex, 1/2” - 13 x 1”, Full Thd, Gr 8

1шт.

14

814-10105

BOLT,Hex, M10 x 1.5 x 105mm, Cl 8.8

1шт.

15

47508176

BELT

Alternator, 1310mm L

1шт.

Выбрано товаров: 17