Запчасти Case 921G (10.500.030) - DEF LINES ELECTRONIC CONTROL UNIT (10) - ENGINE

Схема запчастей Case 921G - (10.500.030) - DEF LINES ELECTRONIC CONTROL UNIT (10) - ENGINE
2
7
5
6
3
7
7
6
7
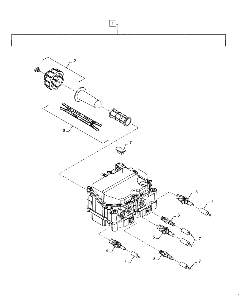
1
7
8
4
FIT
1:1
100%

Артикул

Название

Примечание

Количество

1

47565936

MODULE

Denox, Supply, Incl 2 - 8

1шт.

2

47364064

KIT

Filter Cover

1шт.

3

47364232

SERVICE KIT

Inlet Connector

1шт.

4

47364246

KIT

Outlet Connector

1шт.

5

47364249

KIT

Backflow Connector

1шт.

6

47572557

KIT

Coolant Connector

2шт.

7

47364259

KIT

Protective Cap

1шт.

8

47364243

FILTER

Main

1шт.

Выбрано товаров: 8