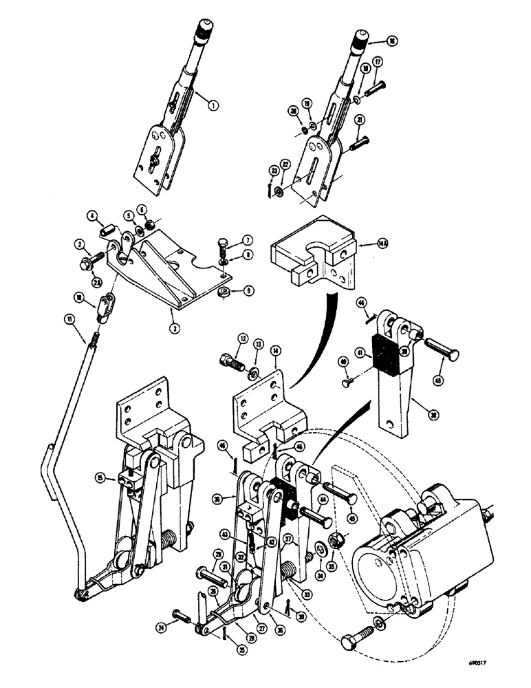
Запчасти Case 300 (076) - PARKING BRAKE AND LINKAGE, D45655 PARKING BRAKE LEVER, D45658 PARKING BRAKE (5.1) - BRAKES

Схема запчастей Case 300 - (076) - PARKING BRAKE AND LINKAGE, D45655 PARKING BRAKE LEVER, D45658 PARKING BRAKE (5.1) - BRAKES
FIT
1:1
100%

Артикул

Название

Примечание

Количество

1

D45655

LEVER ASSEMBLY - parking brake (Parts list below)

1шт.

2

13-636

BOLT,Hex, 3/8" - 16 x 2-1/4", Gr 5

2шт.

2a

95-6

WASHER,3/8"

- standart wrot () 3/8"

4шт.

3

D45950

BRACKET - brake, lever mounting

1шт.

4

D36524

BUSHING

SPACER - brake lever

2шт.

5

92-6

LOCK WASHER,3/8"

2шт.

6

25-106

NUT,3/8"-16, G5

- hex. (3/8" - 16 NC)

2шт.

7

13-624

BOLT,Hex, 3/8" - 16 x 1-1/2", Gr 5

HHCS - 3/8" - 16 NC x 1-1/2"

4шт.

8

92-6

LOCK WASHER,3/8"

4шт.

9

D34242

SPACER

- bracket

4шт.

10

213-4

ADJUSTABLE CLEVIS,3/8"-24 x 2 1/2"

YOKE - rod end, adjustable

1шт.

11

D45941

ROD - parking brake control (Used before tractor serial n. 5770)

1шт.

D48325

ROD - parking brake control (Used on tractor serial no. 5770 and after)

1шт.

12

13-820

BOLT,Hex, 1/2" - 13 x 1-1/4", Gr 5, Full Thd

4шт.

13

92-8

LOCK WASHER,1/2"

4шт.

14

D45952

BRACKET - parking brake (Used before tractor serial no. 5770)

1шт.

14a

D48326

BRACKET - brake lever mounting (Used on tractor serial no. 5770 and after)

1шт.

15

D45658

BRAKE ASSEMBLY - parking (Parts list below)

1шт.

D45655

LEVER ASSEMBLY - parking brake, D45655 parking brake lever, Includes: Ref. 16 - 23

1шт.

16

NSS

NOT SOLD SEPARAT

LEVER - parking brake, D45655 parking brake lever

1шт.

17

D47260

PIN

- handle, D45655 parking brake lever

1шт.

18

D47261

WASHER

- special, D45655 parking brake lever

1шт.

19

95-5

WASHER,3/8" x 7/8" x .083"

- standart wrot (5/16"), D45655 parking brake lever

1шт.

20

C14652

RING

SNAP RING - pin retaining, D45655 parking brake lever

1шт.

21

L30975

AXLE PIN,7.82mm OD x 39.69mm L

PIN - link, D45655 parking brake lever

1шт.

22

95-5

WASHER,3/8" x 7/8" x .083"

- standart wrot (5/16"), D45655 parking brake lever

1шт.

23

132-26

COTTER PIN

Pin, Split (Cotter), 3/32" x 3/4", D45655 parking brake lever

1шт.

D45658

BRAKE ASSEMBLY - parking, D45658 parking brake, Includes: Ref. 24 - 46

1шт.

24

D47183

PIN - control rod to brake, D45658 parking brake

1шт.

25

132-5

COTTER PIN,1/16" x 1/2"

Pin, Split (Cotter), , D45658 parking brake 1/16" x 1/2"

1шт.

26

D46477

CAM - outer, D45658 parking brake

1шт.

27

D46478

CAM - inner, D45658 parking brake

1шт.

28

D46479

SPRING - torsion, D45658 parking brake

1шт.

29

D47184

PIN - cam to eye bolt, D45658 parking brake

1шт.

30

132-26

COTTER PIN

Pin, Split (Cotter), 3/32" x 3/4", D45658 parking brake

1шт.

31

D46480

EYE BOLT - brake, D45658 parking brake

1шт.

32

D46481

PLATE - wear, D45658 parking brake

1шт.

33

D46482

SPRING - return, D45658 parking brake

1шт.

34

195-2067

WASHER,33/64" x 7/8" x .065"

- plain (1/2"), D45658 parking brake

1шт.

35

131-9

LOCK NUT,Prev Torque, Hex, 1/2" - 20, Gr B

NUT - hex., lock (1/2" - 20 NF), D45658 parking brake

1шт.

36

D46483

LINK - parking brake D45658

2шт.

37

D46374

CARRIER AND LINING ASSEMBLY - parking brake, Includes: Ref. 38 - 41

2шт.

38

NSS

NOT SOLD SEPARAT

CARRIER - brake lining

1шт.

39

D47182

BUSHING - carrier

2шт.

40

151-115

RIVET - tubular steel (3/16" dia. x 5/8")

4шт.

41

D46484

LINING - brake

1шт.

42

181-621

SCREW - set, square head (1/4" - 20 NC x 1-1/4")

2шт.

43

129-141

JAM NUT,Jam, 1/4"-20, G5

2шт.

44

D47185

PIN - carrier pivot, rear

1шт.

45

D47186

PIN - carrier pivot, front

1шт.

46

132-28

COTTER PIN,3/32" x 1"

Pin, Split (Cotter), 3/32" x 1"

2шт.

Выбрано товаров: 51