Запчасти Case 300 (026) - TRANSMISSION ASSEMBLY, BEFORE TRACTOR SERIAL NO. 5255, SHIFT LEVER, LINKAGE AND SHIFTING YOKES (03) - TRANSMISSION

Схема запчастей Case 300 - (026) - TRANSMISSION ASSEMBLY, BEFORE TRACTOR SERIAL NO. 5255, SHIFT LEVER, LINKAGE AND SHIFTING YOKES (03) - TRANSMISSION
FIT
1:1
100%

Артикул

Название

Примечание

Количество

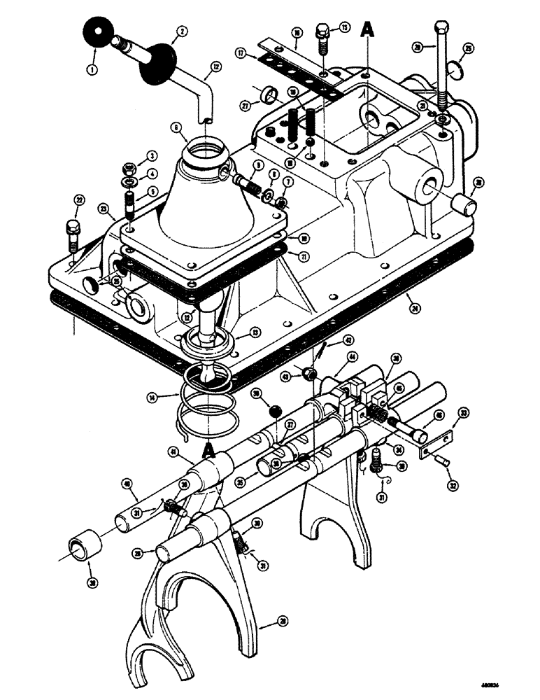
D45636

TRANSMISSION ASSEMBLY - complete (Used before tractor serial no. 5255), Includes: Ref. 1 - 46

1шт.

1

D39118

KNOB

BALL - gear shift lever

1шт.

2

D47076

BOOT - gear shift lever

1шт.

3

25-116

NUT,Hex, 3/8"-24, G5

- hex. (3/8" - 24 NF)

4шт.

4

92-6

LOCK WASHER,3/8"

4шт.

5

D47027

STUD

- gear shift lever housing

4шт.

6

D47078

HOUSING - gear shift lever

1шт.

7

25-116

NUT,Hex, 3/8"-24, G5

- hex. (3/8" - 24 NF)

1шт.

8

92-6

LOCK WASHER,3/8"

1шт.

9

D47077

PIN - gear shift lever retaining

1шт.

10

D47044

BAFFLE - lever housing

1шт.

11

D46795

GASKET

- lever housing to shift bar housing

1шт.

12

D47079

LEVER - gear shift

1шт.

13

D47075

RETAINER - gear shift lever

1шт.

14

D47074

SPRING - gear shift lever

1шт.

15

D47031

BOLT AND LOCKWASHER ASSEMBLY - special

2шт.

16

D47066

COVER - positioning springs

1шт.

17

D47067

GASKET - cover

1шт.

18

D47059

SPRING - position finder

3шт.

19

211-13

BALL,1/2" Dia

- detent 1/2" Dia

3шт.

20

13-672

BOLT,Hex, 3/8" - 16 x 4-1/2", Gr 5

HHCS - 3/8" - 16 NC x 4-1/2"

2шт.

21

92-6

LOCK WASHER,3/8"

2шт.

22

D47031

BOLT AND LOCKWASHER ASSEMBLY - special

12шт.

23

D47064

HOUSING - shifting bars

1шт.

24

D46811

GASKET - shift bar housing

1шт.

25

41-16

PLUG,Exp, 1"

- expansion (1" dia.)

5шт.

26

D47055

PLUG - shift bar housing

1шт.

27

D47057

PLUG - oil retaining

1шт.

28

D47063

BAR - shifting, first and second gears (R.H.)

1шт.

29

D47060

YOKE - shifting, first and second gears

1шт.

30

D47056

BOLT - special, drilled head

5шт.

31

391-708

LOCKWIRE - bolt, #18 (15" long) Cut as required

1шт.

32

46-312

RIVET - countersunk head, 3/16" dia. x 3/4" Csk, 3/16" x 3/4"

2шт.

33

D47069

PLATE - shift lever stop

1шт.

34

D47070

BLOCK - shifting, first and reverse gears

1шт.

35

D47065

BAR - shifting, third and fourth gears (Center)

1шт.

36

211-15

BALL,5/8" Dia

- steel, . (Shift bar locking) 5/8" Dia

2шт.

37

D47054

PIN - bar, interlock

1шт.

39

D47068

YOKE - shifting, third and fourth gears

1шт.

39

D47058

SPACER - reverse yoke, rear

1шт.

40

D47062

BAR - shifting, reverse gear

1шт.

41

D47061

YOKE - shifting, reverse gear

1шт.

42

132-7

COTTER PIN,1/16" x 3/4"

Pin, Split (Cotter), 1/16" x 3/4"

1шт.

43

25-235

SLOTTED NUT

NUT - hex., slotted (5/16" - 24 NF)

1шт.

44

D47073

BLOCK - shifting, reverse gear

1шт.

45

D47072

SPRING - reverse stop plunger

1шт.

46

D47071

PLUNGER - reverse stop

1шт.

47

D45958

LEVER - shift lever extension (Used on models without torque converter only) Not illustrated

1шт.

48

D45959

COUPLING - shift lever extension (Used on models without torque converter only) Not illustrated

1шт.

Выбрано товаров: 49