Запчасти Case 300 (028) - TRANSMISSION ASSEMBLY, BEFORE TRACTOR SERIAL NO. 5255, TRANSMISSION & CLUTCH HOUSING & RELATED PARTS (03) - TRANSMISSION

Схема запчастей Case 300 - (028) - TRANSMISSION ASSEMBLY, BEFORE TRACTOR SERIAL NO. 5255, TRANSMISSION & CLUTCH HOUSING & RELATED PARTS (03) - TRANSMISSION
FIT
1:1
100%

Артикул

Название

Примечание

Количество

D45636

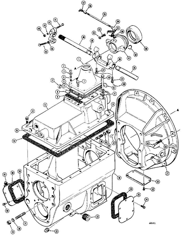
TRANSMISSION ASSEMBLY - complete (Used before tractor serial no. 5255), Includes: Ref. 1 - 59

1шт.

1

D47078

HOUSING - gear shift lever

1шт.

2

25-116

NUT,Hex, 3/8"-24, G5

- hex. (3/8" - 24 NF)

4шт.

3

92-6

LOCK WASHER,3/8"

4шт.

4

D47027

STUD

- gear shift lever housing

4шт.

5

D47044

BAFFLE - lever housing

1шт.

6

D46795

GASKET

- lever housing to shift bar housing

1шт.

7

D47031

BOLT AND LOCKWASHER ASSEMBLY - special

2шт.

8

D47066

COVER - positioning springs

1шт.

9

D47067

GASKET - cover

1шт.

10

13-672

BOLT,Hex, 3/8" - 16 x 4-1/2", Gr 5

HHCS - 3/8" - 16 NC x 4-1/2"

2шт.

11

92-6

LOCK WASHER,3/8"

2шт.

12

D47031

BOLT AND LOCKWASHER ASSEMBLY - special

12шт.

13

D47064

HOUSING - shifting bars

1шт.

14

D46811

GASKET - shift bar housing

1шт.

15

41-16

PLUG,Exp, 1"

- expansion (1" dia.)

5шт.

16

D47055

PLUG - shift bar housing

1шт.

17

D47057

PLUG - oil retaining

1шт.

18

D47049

HOUSING - transmission

1шт.

19

129-560

NUT - hex. (5/8" - 18 NF)

6шт.

20

92-10

LOCK WASHER,5/8"

WASHER, LOCK, 5/8"

6шт.

21

D47050

STUD - transmission housing to "U" joint box

6шт.

22

221-676

PLUG

- drain, magnetic (3/4" NPT)

1шт.

23

221-27

DRAIN PLUG,Sq Soc, 1 1/4"-11 1/2, NTPF

PLUG - pipe, square socket head (1-1/4" NPT)

1шт.

24

D47032

SCREW AND LOCKWASHER ASSEMBLY - special

6шт.

25

D47028

COVER - P.T.O. opening

1шт.

26

D46796

GASKET - cover

1шт.

27

D47048

HOUSING - clutch

1шт.

28

25-1112

NUT,3/4"-16, G5

- hex. (3/4" - 16 NF)

6шт.

29

92-12

LOCK WASHER,3/4"

WASHER, LOCK, 3/4"

6шт.

30

D47046

STUD - transmission housing to clutch housing

6шт.

31

D47045

PIN - dowel, transmission housing to clutch housing

2шт.

32

75-58

BOLT (MACHINE),5/16" x 1/2"

SCREW - round head machine (5/16" - 18 NC x 1/2")

6шт.

33

D47047

COVER - access, clutch housing (Bottom)

1шт.

34

219-1

LUBE NIPPLE,1/8" - 27 NPTF

FITTING - grease, straight (1/8" NPT)

2шт.

35

D46798

SHAFT - clutch pedal, short (R.H.)

1шт.

36

D47095

YOKE - clutch actuating

1шт.

37

46954

CYLINDER END CAP,Hex, 3/8" - 24 x 1", Gr 5, Drilled Hd

BOLT - special, drilled head

2шт.

38

391-708

LOCK WIRE - bolt, #18 (15" long) Cut as required

1шт.

39

126-19

WOODRUFF KEY,#11, 3/16" x 7/8"

KEY - #607 Wooduff

1шт.

40

D47040

SHAFT - clutch pedal, long (L.H.)

1шт.

41

14-628

BOLT,Hex, 3/8" - 24 x 1-3/4", Gr 5

HHCS - 3/8" - 24 NF x 1-3/4"

1шт.

42

D47094

ARM - clutch pedal adjustment

1шт.

43

92-6

LOCK WASHER,3/8"

1шт.

44

25-116

NUT,Hex, 3/8"-24, G5

- hex. (3/8" - 24 NF)

1шт.

45

181-279

SCREW - set, dog point (1/2" - 13 NC x 2")

1шт.

46

25-108

NUT,1/2"-13, G5

- hex. (1/2" - 13 NC)

1шт.

47

D47053

CARRIER - clutch throw out bearing

1шт.

48

D47024

SPRING - carrier to actuating yoke

2шт.

49

D47052

BEARING - throw out, clutch

1шт.

50

221-103

FITTING

NIPPLE - pipe (1/8" NPT x 1")

1шт.

51

D47051

SPRING - carrier return

2шт.

52

D47033

BOLT - special

2шт.

53

92-6

LOCK WASHER,3/8"

2шт.

54

221-374

ELBOW,90 Degree, 1/8" NPT

- female (1/8" NPT)

1шт.

55

221-119

PIPE - grease, throw out bearing

1шт.

56

221-326

COUPLING,Pipe, 1/8" NPT

- female (1/8" NPT)

1шт.

57

219-55

LUBE NIPPLE,90 Degree Elbow, 1/8" - 27 NPTF

NIPPLE, LUBE, 90º, 1/8" NPT x .84" lg

1шт.

58

D47032

SCREW AND LOCKWASHER ASSEMBLY - special

6шт.

59

D46796

GASKET - transmission filler neck cover

1шт.

D45639

COVER ASSEMBLY - filler neck, transmission oil (Used before tractor serial no. 5248), Includes: Ref. 60 and 61

1шт.

D45640

COVER ASSSEMBLY - filler neck, transmission oil (Used on tractor serial no. 5248 and after), Includes: Ref. 60 and 61

1шт.

60

NSS

NOT SOLD SEPARAT

COVER - filler neck, transmission oil

1шт.

61

221-16

PLUG,Sq Hd, 1"-11 1/2 NPTF

- pipe, square head (1" NPT)

1шт.

62

13-620

BOLT,Hex, 3/8" - 16 x 1-1/4", Gr 5, Full Thd

12шт.

63

92-6

LOCK WASHER,3/8"

12шт.

Выбрано товаров: 66