Запчасти Case 300 (014) - ELECTRICAL SYSTEM (06) - ELECTRICAL SYSTEMS

Схема запчастей Case 300 - (014) - ELECTRICAL SYSTEM (06) - ELECTRICAL SYSTEMS
FIT
1:1
100%

Артикул

Название

Примечание

Количество

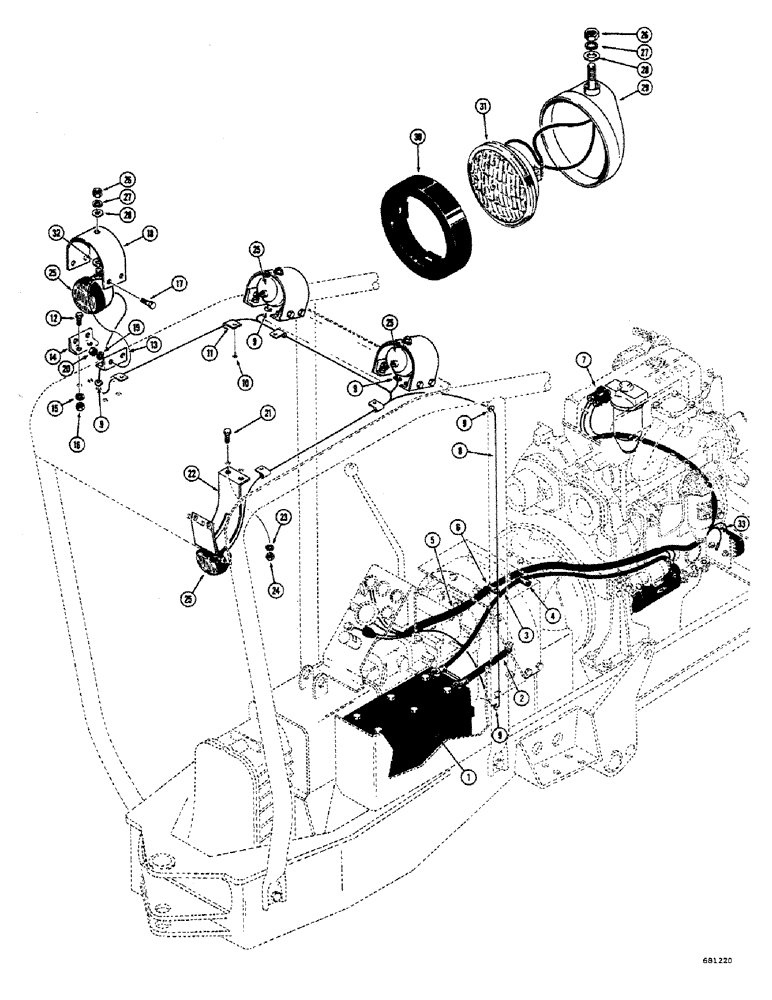
1

D44178

DRY BATTERY

- electrical, 12 volt (150 Amp. hour capacity at 20 hour rate)

1шт.

2

A36368

STRAP

CABLE - battery ground (Negative)

1шт.

3

A9168

CABLE

- battery, hot (Positive)

1шт.

4

D45837

CLAMP - cable

1шт.

5

D45820

HARNESS - wiring, main (Instrument panel to starter, regulator and fuel pressure switch)

1шт.

6

515-23159

CLAMP,5/8", Insul, 3/8" Bolt

- wiring harness

1шт.

7

D28798

SWITCH

- fuel pressure

1шт.

8

D46685

WIRING HARNESS - lights, front and rear

1шт.

9

D45994

GROMMET,3/16" ID x 5/16" Groove Dia

- wiring harness

5шт.

10

187-1006

SCREW,Hex Hd, 1/4" x 5/8"

- self-tapping (1/4" x 5/8")

5шт.

11

D45955

CLAMP - wire

5шт.

12

13-616

BOLT,Hex, 3/8" - 16 x 1", Gr 5, Full Thd

12шт.

13

D45720

BRACKET - shroud mounting, R.H.

3шт.

14

D45719

BRACKET - shroud mounting, L.H.

3шт.

15

92-6

LOCK WASHER,3/8"

12шт.

16

25-106

NUT,3/8"-16, G5

- hex. (3/8" - 16 NC)

12шт.

17

13-620

BOLT,Hex, 3/8" - 16 x 1-1/4", Gr 5, Full Thd

12шт.

18

D45721

SHROUD - light

3шт.

19

92-6

LOCK WASHER,3/8"

12шт.

20

25-106

NUT,3/8"-16, G5

- hex. (3/8" - 16 NC)

12шт.

21

13-616

BOLT,Hex, 3/8" - 16 x 1", Gr 5, Full Thd

4шт.

22

D45956

BRACKET - winch light

1шт.

23

92-6

LOCK WASHER,3/8"

4шт.

24

25-106

NUT,3/8"-16, G5

- hex. (3/8" - 16 NC)

4шт.

25

D45651

LIGHT

ASSEMBLY - 12 volt, 60 watts, Includes: Ref. 26 -31

4шт.

26

25-118

NUT,1/2"-20, G5

- hex. (1/2" - 20 NF)

1шт.

27

92-8

LOCK WASHER,1/2"

1шт.

28

95-8

WASHER,1/2"

- standard wrot 1/2"

1шт.

29

NSS

NOT SOLD SEPARAT

SHELL - light

1шт.

30

A25210

MOUNTING PARTS

RETAINER - light, rubber

1шт.

31

D46299

LAMP

LIGHT - sealed beam

1шт.

32

95-8

WASHER,1/2"

- standard wrot 1/2"

4шт.

33

D48186

WIRE -, Serial Range: harness-regulator

1шт.

Выбрано товаров: 33