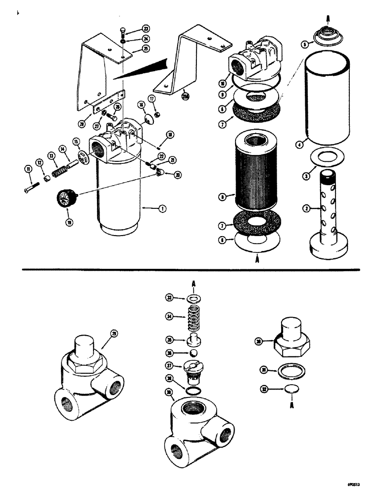
Запчасти Case 300 (114) - D45650 HYDRAULIC OIL FILTER, D45648 HYDRAULIC SYSTEM RELIEF VALVE (07) - HYDRAULIC SYSTEM

Схема запчастей Case 300 - (114) - D45650 HYDRAULIC OIL FILTER, D45648 HYDRAULIC SYSTEM RELIEF VALVE (07) - HYDRAULIC SYSTEM
FIT
1:1
100%

Артикул

Название

Примечание

Количество

1

D45650

FILTER

- hydraulic oil, Includes: Ref. 2 - 19

1шт.

2

T29796

SUPPORT

CENTER POST - filter

1шт.

3

T29795

GASKET

-, Serial Range: post-housing

1шт.

4

W11815

HOUSING

- filter

1шт.

5

T29793

SPRING

- filter element

1шт.

6

T42195

WASHER

- backup

2шт.

T40153

FILTER

KIT - filter element, Includes: Ref. 7 - 9

1шт.

7

W12214

GASKET

- element

2шт.

8

NSS

NOT SOLD SEPARAT

ELEMENT - filter

1шт.

9

T29789

SEALING RING,4.35" ID x 0.25" Width

SEAL - "O" ring, filter head

1шт.

10

D46225

HEAD - filter

1шт.

11

169-86

SCREW,Fil Hd, #8 - 32 x 1 3/4"

- valve, filter by-pass

1шт.

12

T29780

CYLINDER END CAP

CAP - valve, filter by-pass

1шт.

13

J1037492

PLASTIC PLUG

- valve, filter by-pass

1шт.

14

T29783

SPACER

- valve, filter by-pass

1шт.

15

T29784

GUIDE

- valve, filter by-pass

1шт.

16

T29785

VALVE

- filter by-pass

1шт.

17

131-552

NUT,#8-32

NUT - hex., lock (Special)

1шт.

18

221-849

PLUG,Hex Soc, 1/8"-27

- pipe, hex. socket head (1/8" NPT)

1шт.

19

D46231

GAUGE - filter condition indicator

1шт.

20

221-401

ELBOW,45 Degree, 1/8"-27, NPT

- street, 45 degrees (1/8" NPT) Used on models with torque converter

1шт.

20

221-411

ELBOW,90 Degree, 1/8"-27, NPT

Street, Used on models without torque converter 90º, 1/8"-27, NPT

1шт.

21

221-335

COUPLING,Pipe, 1/8" NPT

- female, pipe (3/8" NPT x 1/8" NPT)

1шт.

22

221-102

PIPE,Nipple, 1/8" NPT x 7/8"

NIPPLE - pipe (7/8" x 1/8" NPT)

1шт.

23

13-516

BOLT,Hex, 5/16" - 18 x 1", Gr 5

2шт.

24

92-5

LOCK WASHER,5/16"

2шт.

25

D45713

BRACKET - filter mounting (Used on models with torque converter)

1шт.

25

D47343

BRACKET - filter mounting (Used on models without torque converter before tractor serial no. 5770)

1шт.

25a

D48810

BRACKET - filter mounting (Used on all models, tractor serial no. 5770 and after)

1шт.

26

13-816

BOLT,Hex, 1/2" - 13 x 1", Gr 5, Full Thd

Used only with D45713 and D47393 brackets Hex, 1/2"-13 x 1", G5, Full Thd

2шт.

27

92-8

LOCK WASHER,1/2"

used only with D45713 and D47343 brackets 1/2"

2шт.

28

D45788

BRACKET - clutch spring (If used)

1шт.

29

D45648

RELIEF VALVE - hydraulic system relief (1500 PSI), D45648 hydraulic-clutch system relief valve, Includes: Ref. 30 - 39

1шт.

30

D25846

BODY

- relief valve, D45648 hydraulic system relief valve

1шт.

31

34115

GASKET

- body, D45648 hydraulic system relief valve

1шт.

32

D25844

SHIM,.0097" Thk

Pressure adjusting, D45648 hydraulic system relief valve .0097" Thk

1шт.

33

36660

WASHER

- spring retaining, D45648 hydraulic system relief valve

1шт.

34

D46223

SPRING

- relief valve, D45648 hydraulic system relief valve

1шт.

35

R22172

GUIDE - spring, poppet, D45648 hydralic system relief valve

1шт.

36

211-12

BALL,7/16 Dia

- relief valve, D45468 hydraulic system relief valve

1шт.

37

D28913

SEAT

- relief valve, D45468 hydraulic system relief valve

1шт.

39

NSS

NOT SOLD SEPARAT

HOUSING - relief valve, D45648 hydraulic system relief valve

1шт.

38

218-5006

O-RING,0.087" Thk x 0.644" ID, -908, Cl 6, 90 Duro

SEAL - "O" ring, valve seat, D45468 hydraulic system relief valve

1шт.

Выбрано товаров: 43