Запчасти Case 300 (130) - FUEL AND HYDRAULIC TANK (07) - HYDRAULIC SYSTEM

Схема запчастей Case 300 - (130) - FUEL AND HYDRAULIC TANK (07) - HYDRAULIC SYSTEM
FIT
1:1
100%

Артикул

Название

Примечание

Количество

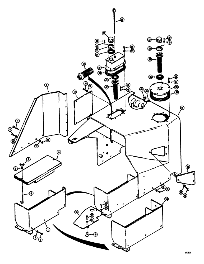
1

D45701

BATTERY BOX - skidder (Used before tractor serial no. 5770)

1шт.

1a

D48802

BATTERY BOX - skidder (Used on tractor serial no. 5770 and after)

1шт.

2

129-410

WING NUT,3/8"-16

NUT - winged (3/8" - 16 NC)

2шт.

3

95-6

WASHER,3/8"

- standard wrot () 3/8"

2шт.

4

D45819

COVER - battery box

1шт.

5

D45818

ROD - battery holddown

2шт.

6

13-820

BOLT,Hex, 1/2" - 13 x 1-1/4", Gr 5, Full Thd

4шт.

7

92-8

LOCK WASHER,1/2"

4шт.

8

D45702

STEP SHIELD - operator's compartment

1шт.

9

13-820

BOLT,Hex, 1/2" - 13 x 1-1/4", Gr 5, Full Thd

9шт.

10

92-8

LOCK WASHER,1/2"

9шт.

11

13-1232

BOLT,Hex, 3/4" - 10 x 2", Gr 5

1шт.

12

92-12

LOCK WASHER,3/4"

WASHER, LOCK, 3/4"

1шт.

13

25-1012

NUT,3/4"-10, G5

1шт.

14

D45815

TANK ASSEMBLY - hydraulic oil and diesel fuel

1шт.

15

13-820

BOLT,Hex, 1/2" - 13 x 1-1/4", Gr 5, Full Thd

11шт.

16

92-8

LOCK WASHER,1/2"

11шт.

17

D45804

COVER - hydraulic oil filter access

1шт.

18

13-620

BOLT,Hex, 3/8" - 16 x 1-1/4", Gr 5, Full Thd

4шт.

19

92-6

LOCK WASHER,3/8"

4шт.

20

174-102

SCREW,Sl Rnd Hd, #10 - 32 x 1"

- round head machine (#10 - 32 NF x 1")

6шт.

21

92-3

LOCK WASHER,#10

WASHER, LOCK, #10

6шт.

22

D45152

CAP - filler, fuel tank

1шт.

23

D45993

FLANGE - cap mounting

1шт.

24

D45185

SCREEN - fuel (When stock is exhausted, use 1-D45838 screen for service)

1шт.

D45838

SCREEN - fuel

1шт.

25

D45811

GASKET - fuel screen

1шт.

26

13-512

BOLT,Hex, 5/16" - 18 x 3/4", Gr 5

6шт.

27

92-5

LOCK WASHER,5/16"

6шт.

28

D45812

COVER - fuel tank

1шт.

29

D45813

GASKET - fuel tank cover

1шт.

30

174-102

SCREW,Sl Rnd Hd, #10 - 32 x 1"

- round head machine (#10 - 32 NF x 1")

6шт.

31

92-3

LOCK WASHER,#10

WASHER, LOCK, #10

6шт.

32

D45152

CAP - filler, hydraulic oil tank

1шт.

33

D45993

FLANGE - cap mounting

1шт.

34

D45811

GASKET - flange

1шт.

35

D45703

DIPSTICK - hydraulic oil gauge

1шт.

36

13-416

BOLT,Hex, 1/4" - 20 x 1", Gr 5

10шт.

37

195-1014

WASHER

- brass (1/4")

10шт.

38

D45810

BAFFLE - hydraulic oil

1шт.

39

D45808

GASKET - baffle

1шт.

40

174-102

SCREW,Sl Rnd Hd, #10 - 32 x 1"

- round head machine (#10 - 32 NF x 1")

6шт.

41

92-3

LOCK WASHER,#10

WASHER, LOCK, #10

6шт.

42

D45185

SCREEN - fuel (When stock is exhausted, use 1-D45838 screen for service)

1шт.

D45838

SCREEN - fuel

1шт.

43

D45811

GASKET - screen

1шт.

44

D45803

COVER - dozer control valve access

1шт.

45

13-620

BOLT,Hex, 3/8" - 16 x 1-1/4", Gr 5, Full Thd

3шт.

46

92-6

LOCK WASHER,3/8"

3шт.

47

D45816

ELEMENT

FILTER ELEMENT - suction line, magnetic type

1шт.

48

221-17

DRAIN PLUG,Sq Hd, 1 1/4"-11 1/2 NPTF

PLUG - pipe, square head (1-1/4" NPT)

1шт.

49

221-34

DRAIN PLUG,Hex Soc, 1/2"-14, NPTF

PLUG - pipe, square socket head (1/2" NPT)

2шт.

50

D45933

PLATE - floor (Used on models with Gearmatic Winch only)

1шт.

51

D45934

BRACKET - holddown

1шт.

52

413-632

BOLT,Hex, 3/8" - 16 x 2", Gr 5

- 3/8" - 16 NC x 2"

1шт.

53

13-616

BOLT,Hex, 3/8" - 16 x 1", Gr 5, Full Thd

2шт.

54

92-6

LOCK WASHER,3/8"

3шт.

Выбрано товаров: 57