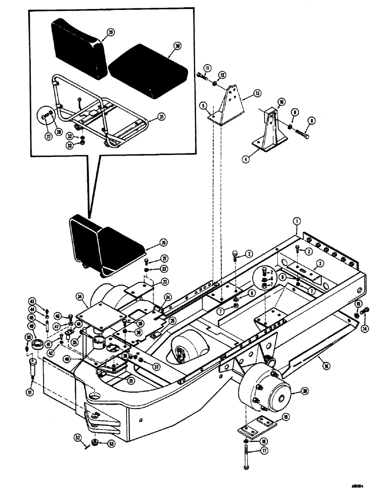
Запчасти Case 300 (120) - FRONT FRAME, AXLE AND SEAT, USED ON MODELS WITHOUT TORQUE CONVERTER, BEFORE TRACTOR SERIAL NO. 5770 (12) - Chassis/Attachments

Схема запчастей Case 300 - (120) - FRONT FRAME, AXLE AND SEAT, USED ON MODELS WITHOUT TORQUE CONVERTER, BEFORE TRACTOR SERIAL NO. 5770 (12) - Chassis/Attachments
FIT
1:1
100%

Артикул

Название

Примечание

Количество

1

D45688

FRONT FRAME - skidder

1шт.

2

13-824

BOLT,Hex, 1/2" - 13 x 1-1/2", Gr 5, Full Thd

10шт.

3

D45670

MOUNT - engine, front

1шт.

4

D45668

PAD - engine mount, R.H.

1шт.

5

D45669

PAD - engine mount, L.H.

1шт.

6

92-8

LOCK WASHER,1/2"

10шт.

7

25-108

NUT,1/2"-13, G5

- hex. (1/2" - 13 NC)

10шт.

8

13-840

BOLT,Hex, 1/2" - 13 x 2-1/2", Gr 5

HHCS - 1/2" - 13 NC x 2-1/2"

4шт.

9

92-8

LOCK WASHER,1/2"

4шт.

10

D45779

MOUNT - engine side, R.H. rear

1шт.

11

13-820

BOLT,Hex, 1/2" - 13 x 1-1/4", Gr 5, Full Thd

4шт.

12

92-8

LOCK WASHER,1/2"

4шт.

13

D45683

MOUNT - engine side, L.H. side

1шт.

14

13-1224

BOLT,Hex, 3/4" - 10 x 1-1/2", Gr 5

3шт.

15

92-12

LOCK WASHER,3/4"

WASHER, LOCK, 3/4"

3шт.

16

D45662

PAN - engine oil pan guard

1шт.

17

13-12128

BOLT,Hex, 3/4" - 10 x 8", Gr 5

HHCS - 3/4" - 10 NC x 8"

8шт.

18

92-12

LOCK WASHER,3/4"

WASHER, LOCK, 3/4"

8шт.

19

L30662

LARGE PLATE

PAD - axle mounting

2шт.

20

D45631

AXLE ASSEMBLY - front, Hi-Traction (Standard) Parts list Figures 90 and 96

1шт.

D45632

AXLE ASSEMBLY - front, No-Spin (Optional) Parts list Figures 90 and 96

1шт.

21

13-616

BOLT,Hex, 3/8" - 16 x 1", Gr 5, Full Thd

5шт.

22

92-6

LOCK WASHER,3/8"

5шт.

23

D45666

COVER PLATE - clutch

1шт.

24

D45667

FLOOR PLATE - skidder, front

1шт.

25

D45671

BRACKET - floor plate

2шт.

26

D45633

SEAT - operator's, Includes: Ref. 27 - 33

1шт.

27

173-214

SCREW,Phil Rnd Hd, 1/4" - 20 x 3/4"

- machine, round head Phillips (1/4" - 20 NC x 3/4")

4шт.

28

192-19

LOCK WASHER,Helical Spring, 0.256" ID, CST, ZND

WASHER, LOCK, 1/4"

4шт.

29

D45997

CUSHION - seat back

1шт.

30

D45996

CUSHION - seat

1шт.

31

D45633

FRAME - seat

1шт.

32

192-20

LOCK WASHER,Helical Spring, 0.318" ID, CST, ZND

WASHER, LOCK, 5/16"

4шт.

33

129-122

NUT,5/16"-24, G5

- hex. (5/16" - 18 NC)

4шт.

34

D45665

BASE - seat mounting

1шт.

35

13-880

BOLT,Hex, 1/2" - 13 x 5", Gr 5

2шт.

36

92-8

LOCK WASHER,1/2"

2шт.

37

25-108

NUT,1/2"-13, G5

- hex. (1/2" - 13 NC)

2шт.

38

13-616

BOLT,Hex, 3/8" - 16 x 1", Gr 5, Full Thd

2шт.

39

92-6

LOCK WASHER,3/8"

2шт.

40

D45663

FLOOR PLATE - skidder, rear

1шт.

41

413-632

BOLT,Hex, 3/8" - 16 x 2", Gr 5

- 3/8" - 16 NC x 2"

1шт.

42

92-6

LOCK WASHER,3/8"

1шт.

43

219-1

LUBE NIPPLE,1/8" - 27 NPTF

FITTING - grease, straight (1/8" NPT)

2шт.

44

221-335

COUPLING,Pipe, 1/8" NPT

- pipe (1/8" NPT)

2шт.

45

221-114

NIPPLE - pipe (1/8" NPT x 4-1/2")

2шт.

46

113-403

BOLT

HHCS - 1/2" - 13 NC x 1" (Nylock)

2шт.

47

95-8

WASHER,1/2"

- standard wrot 1/2"

2шт.

48

D45664

PIN - steering cylinder mounting

2шт.

49

D23601

HOUSING

BUSHING - pivotal ball type

1шт.

50

219-11

LUBE NIPPLE,1/4" - 28 NPTF

FITTING - grease, straight (1/4" - 28 NF)

1шт.

51

D45151

PIN - hinge, frame pivot

1шт.

52

132-187

COTTER PIN,5/16" x 3"

Pin, Split (Cotter), 5/16" x 3"

1шт.

53

25-1324

SLOTTED NUT,1 1/2"-12, G5

NUT - hex., slotted (1-1/2" - 12 NF)

1шт.

Выбрано товаров: 54