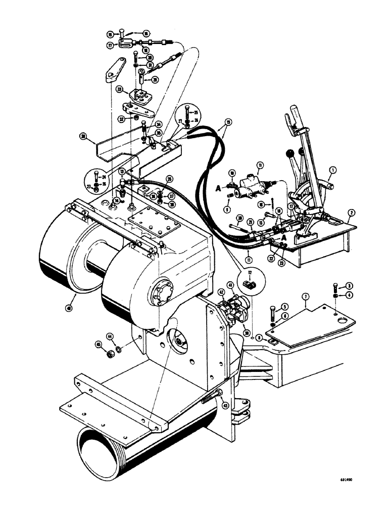
Запчасти Case 300 (136) - WINCH AND WINCH CONTROLS, HOLT WINCH (18) - ATTACHMENT ACCESSORIES

Схема запчастей Case 300 - (136) - WINCH AND WINCH CONTROLS, HOLT WINCH (18) - ATTACHMENT ACCESSORIES
FIT
1:1
100%

Артикул

Название

Примечание

Количество

1

REF

INSTRUCTION

CONTROL PARTS - winch (See Figure 138 for component parts)

1шт.

2

NSS

NOT SOLD SEPARAT

BASE - control mounting

1шт.

3

13-616

BOLT,Hex, 3/8" - 16 x 1", Gr 5, Full Thd

2шт.

4

92-6

LOCK WASHER,3/8"

2шт.

5

13-660

BOLT,Hex, 3/8" - 16 x 3-3/4", Gr 5

1шт.

6

92-6

LOCK WASHER,3/8"

1шт.

7

D45933

FLOOR PLATE - skidder, RH rear

1шт.

8

D45934

PLATE - tapped, holddown

1шт.

9

222-1062

PLUG,7/16"-24, Inv Fl

Winch brake master cylinder

1шт.

10

222-762

ELBOW,90 Degree, 7/16"-20, 45 Degree Fl x 1/8" NPT

Male

1шт.

11

D45860

HOSE - brake master, Serial Range: cylinder-winch

1шт.

12

515-23159

CLAMP,5/8", Insul, 3/8" Bolt

Hose

1шт.

13

222-762

ELBOW,90 Degree, 7/16"-20, 45 Degree Fl x 1/8" NPT

Male

1шт.

14

217-1

ADAPTER

Male, straight (1/8" NPT)

1шт.

15

141-4

CLEVIS PIN,3/8" x 1.060"

3шт.

16

132-26

COTTER PIN

3/32" x 3/4"

3шт.

17

213-4

ADJUSTABLE CLEVIS,3/8"-24 x 2 1/2"

YOKE - winch control cable

3шт.

18

25-116

NUT,Hex, 3/8"-24, G5

3шт.

19

D45858

SPARE PART Winch control

2шт.

20

13-656

BOLT,Hex, 3/8" - 16 x 3-1/2", Gr 5

1шт.

21

D45859

BRACKET - cable mounting

1шт.

22

92-6

LOCK WASHER,3/8"

1шт.

23

25-106

NUT,3/8"-16, G5

Hex

1шт.

24

13-636

BOLT,Hex, 3/8" - 16 x 2-1/4", Gr 5

1шт.

25

13-660

BOLT,Hex, 3/8" - 16 x 3-3/4", Gr 5

1шт.

26

92-6

LOCK WASHER,3/8"

2шт.

27

25-106

NUT,3/8"-16, G5

2шт.

28

D45861

GUARD - winch control linkage at winch

1шт.

29

D45863

PIN - winch shift linkage

1шт.

30

13-620

BOLT,Hex, 3/8" - 16 x 1-1/4", Gr 5, Full Thd

2шт.

31

92-6

LOCK WASHER,3/8"

2шт.

32

25-106

NUT,3/8"-16, G5

Hex

2шт.

33

D45862

BRACKET - winch shift lever

1шт.

34

13-616

BOLT,Hex, 3/8" - 16 x 1", Gr 5, Full Thd

1шт.

35

95-6

WASHER,3/8"

Standard wrot

2шт.

36

D45864

BRACKET - winch guard

1шт.

37

92-6

LOCK WASHER,3/8"

1шт.

38

25-106

NUT,3/8"-16, G5

Hex

1шт.

39

D45246

SPARE PART ASSEMBLY - winch drive (Parts list Figure 140)

1шт.

40

REF

INSTRUCTION

WINCH - Holt (Parts list Figures 140 thru 152)

1шт.

41

13-1056

BOLT,Hex, 5/8" - 11 x 3-1/2", Gr 5

10шт.

42

92-10

LOCK WASHER,5/8"

10шт.

43

13-1472

CAPSCREW,Hex, 7/8" - 9 x 4 1/2", Gr 5

SPARE PART

4шт.

44

92-14

LOCK WASHER,7/8"

4шт.

45

25-1014

NUT,7/8"-9, G5

4шт.

Выбрано товаров: 0