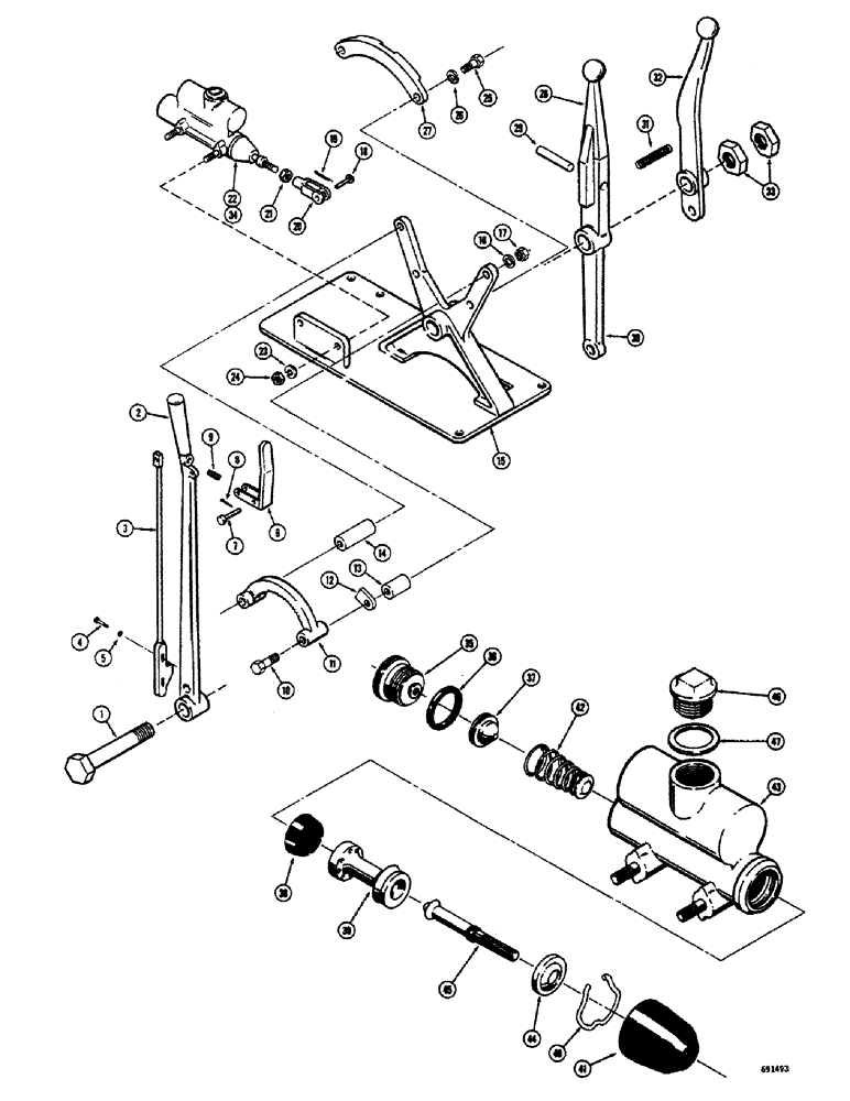
Запчасти Case 300 (138) - WINCH CONTROL LEVERS, HOLT WINCH, D46308 WINCH BRAKE MASTER CYLINDER (18) - ATTACHMENT ACCESSORIES

Схема запчастей Case 300 - (138) - WINCH CONTROL LEVERS, HOLT WINCH, D46308 WINCH BRAKE MASTER CYLINDER (18) - ATTACHMENT ACCESSORIES
FIT
1:1
100%

Артикул

Название

Примечание

Количество

1

13-16122

HHCS - 1" - 8 NC x 7-5/8"

1шт.

2

D46508

LEVER - winch brake

1шт.

3

D46507

ROD - brake

1шт.

4

D46686

BOLT - special, self-locking

2шт.

5

95-5

WASHER,3/8" x 7/8" x .083"

- standard wrot (5/16")

2шт.

6

D46509

LEVER - brake release

1шт.

7

D46510

PIN - lever, 3/16" dia. x 1-1/8"

2шт.

8

132-5

COTTER PIN,1/16" x 1/2"

Pin, Split (Cotter), 1/16" x 1/2"

2шт.

9

D46501

SPRING - lever

1шт.

10

13-664

BOLT,Hex, 3/8" - 16 x 4", Gr 5

2шт.

11

D46516

RATCHET - brake

1шт.

12

D46505

STOP - brake lever

1шт.

13

D46504

SPACER - ratchet, 1-1/4" long

1шт.

14

D46506

SPACER - ratchet, 1-1/2" long

1шт.

15

D46496

BASE - winch control stand

1шт.

16

92-6

LOCK WASHER,3/8"

2шт.

17

25-106

NUT,3/8"-16, G5

- hex. (3/8" - 16 NC)

2шт.

18

D46498

PIN - brake cylinder yoke, 3/8" dia. x 1-1/2"

1шт.

19

132-48

COTTER PIN,1/8" x 1"

Pin, Split (Cotter), 1/8" x 1"

1шт.

20

D46497

YOKE - brake master cylinder

1шт.

21

25-116

NUT,Hex, 3/8"-24, G5

- hex. (3/8" - 24 NF)

1шт.

22

D46308

CYLINDER - master, winch brake (See parts list below)

1шт.

23

92-7

LOCK WASHER,7/16"

2шт.

24

25-117

NUT,7/16"-20, G5

- hex. (7/16" - 20 NF)

2шт.

25

13-616

BOLT,Hex, 3/8" - 16 x 1", Gr 5, Full Thd

2шт.

26

92-6

LOCK WASHER,3/8"

2шт.

27

D46502

LOCK PLATE - winch shift lever

1шт.

28

D46503

LEVER - winch shift, upper half

1шт.

29

138-157

LOCK PIN,5/16" x 1 1/2", Slotted

Pin, 5/16" x 1 1/2", Slotted

1шт.

30

D46500

LEVER - winch shift, lower half

1шт.

31

D46501

SPRING - lever

1шт.

32

D46499

LEVER - winch free spool

1шт.

33

25-1416

NUT,Jam, 1"-8, G5

- hex., jam (1" - 8 NC)

2шт.

34

D46308

CYLINDER - master, winch brake, D46308 winch brake master cylinder, Includes: Ref. 35 - 47

1шт.

35

D46687

HEAD - brake master cylinder, D46308 winch brake master cylinder

1шт.

D46694

KIT - brake master cylinder, D46308 winch brake master cylinder, Includes: Ref. 36 - 41

1шт.

36

D46695

GASKET

- cylinder head, D46308 winch brake master cylinder

1шт.

37

D46696

VALVE - brake master cylinder, D46308 winch brake master cylinder

1шт.

38

D46697

CUP - primary, D46308 winch brake master cylinder

1шт.

39

NSS

NOT SOLD SEPARAT

PISTON - brake master cylinder, D46308 winch brake master cylinder

1шт.

40

T39011

LOCKING DEVICE

LOCKWIRE - piston stop retaining, D46308 winch brake master cylinder

1шт.

41

D46700

BOOT - brake master cylinder, D46308 winch brake master cylinder

1шт.

42

T39006

VALVE SPRING

SPRING AND RETAINER - brake master cylinder, D46308 winch brake master cylinder

1шт.

43

NSS

NOT SOLD SEPARAT

BODY - brake master cylinder, D46308 winch brake masgter cylinder

1шт.

44

D46690

STOP PLATE - brake piston, D46308 winch brake master cylinder

1шт.

45

D46691

ROD - push, brake master cylinder, D46308 winch brake master cylinder

1шт.

46

D46692

CAP - filler, D46308 winch brake master cylinder

1шт.

47

D46693

GASKET

- filler cap, D46308 winch brake master cylinder

1шт.

Выбрано товаров: 0