Запчасти Case 300 (154) - WINCH & CONTRL PARTS,GEARMTIC WINCH,WINCH MNTG HRDWR,BEF. TRAC SN5285,WINCH MNTG HRDWR,SN 5285 & AFT (18) - ATTACHMENT ACCESSORIES

Схема запчастей Case 300 - (154) - WINCH & CONTRL PARTS,GEARMTIC WINCH,WINCH MNTG HRDWR,BEF. TRAC SN5285,WINCH MNTG HRDWR,SN 5285 & AFT (18) - ATTACHMENT ACCESSORIES
FIT
1:1
100%

Артикул

Название

Примечание

Количество

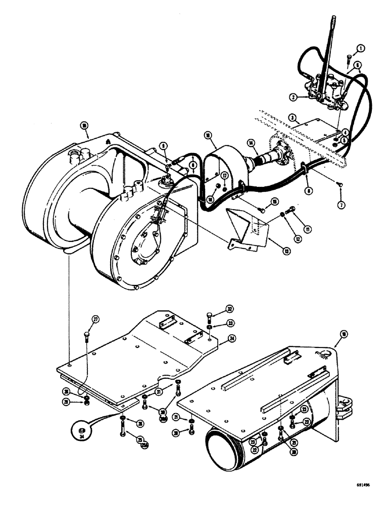
1

13-620

BOLT,Hex, 3/8" - 16 x 1-1/4", Gr 5, Full Thd

4шт.

2

REF

INSTRUCTION

MASTER CONTROL - winch (Parts list Figure 156)

1шт.

3

D45946

BRACKET - control mounting

1шт.

4

92-6

LOCK WASHER,3/8"

4шт.

5

25-106

NUT,3/8"-16, G5

Hex

4шт.

6

D46284

SPARE PART Master control to winch (74" long)

2шт.

7

187-478

SCREW - hex. head, self-tapping (#8 x 1/4")

3шт.

8

D45948

CLAMP - hose

3шт.

9

222-762

ELBOW,90 Degree, 7/16"-20, 45 Degree Fl x 1/8" NPT

Male

1шт.

10

REF

INSTRUCTION

WINCH - complete (Parts list Figures 160 thru 172)

1шт.

11

13-1224

BOLT,Hex, 3/4" - 10 x 1-1/2", Gr 5

1шт.

12

92-12

LOCK WASHER,3/4"

1шт.

13

D45949

GUARD - hose

1шт.

14

D45245

SHAFT ASSY.

Winch drive (Used before tractor S/N 5285) Parts list Figure 158

1шт.

14

D45246

SPARE PART ASSEMBLY - winch drive (Used on tractor S/N 5285 and after) Parts list Figure 158

1шт.

15

13-612

BOLT,Hex, 3/8" - 16 x 3/4", Gr 5, Full Thd

4шт.

16

D49384

SPARE PART Winch drive shaft

1шт.

17

92-6

LOCK WASHER,3/8"

4шт.

18

25-106

NUT,3/8"-16, G5

4шт.

19

D45828

TUBE - center hinge and winch mounting, winch mounting hardware (used before tractor S/N 5285)

1шт.

20

113-722

X

HHCS - 3/4" - 10 NC x 2-1/2", winch mounting hardware (used before tractor S/N 5285)

6шт.

21

92-12

LOCK WASHER,3/4"

Winch mounting hardware (used before tractor S/N 5285)

6шт.

22

113-744

X

HHCS - 3/4" - 10 NC x 1-3/4", winch mounting hardware (used before tractor S/N 5285)

4шт.

23

92-12

LOCK WASHER,3/4"

Winch mounting hardware (used before tractor S/N 5285)

4шт.

24

D45995

BRACKET - winch mounting, winch mounting hardware (used on tractor S/N 5285and afte)

1шт.

25

113-743

X

HHCS - 3/4"-10 NC x 4-1/4" (If used), winch mounting hardware (used on tractor S/N 5285 and after)

2шт.

25a

113-762

X

HHCS - 3/4"-10 NC x 6-1/2" (Used on some models), winch mounting hardware (used on tractor S/N 5285 and after)

2шт.

26

92-12

LOCK WASHER,3/4"

If used, winch mounting hardware (used on tractor S/N 5285 and after)

2шт.

27

113-734

X

HHCS - 3/4" - 10 NC x 2", winch mounting hardware (used on tractor S/N 5285 and after)

2-4шт.

28

92-12

LOCK WASHER,3/4"

Winch mounting hardware (used on tractor S/N 5285 and after)

2-4шт.

29

129-572

NUT,3/4"-10, G8

Winch mounting hardware (used on tractor S/N 5285 and after)

2шт.

30

113-734

X

HHCS - 3/4" - 10 NC x 2", winch mounting hardware (used on tractor S/N 5285 and after)

6-8шт.

30a

113-760

X

HHCS - 3/4" - 10 NC x 3-1/2" (Used on some models as center winch mount), winch mounting hardwae (used on tractor S/N 5285 and after)

2шт.

31

92-12

LOCK WASHER,3/4"

Winch mounting hardware (used on tractor S/N 5285 and after)

6-8шт.

32

328-1232

BOLT,Hex, 3/4" - 16 x 2", Gr 8

Winch mounting hardware (used on tractor S/N 5285 and after)

4шт.

33

92-12

LOCK WASHER,3/4"

Winch mounting hardware (used on tractor S/N 5285 and after)

4шт.

34

195-904

BELLEVILLE WASHER

Special beveled (Used on some models), winch mounting hardware (used on tractor S/N 5285 and after)

8шт.

Выбрано товаров: 0